New Search
Parts
New Outboards
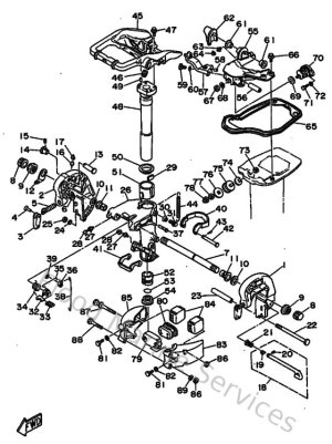
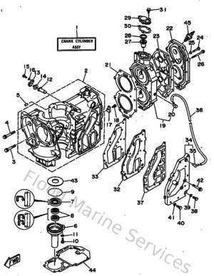
Diagram Sections: E25AMH (1998)
Download as PDF
Bottom Cowling
Bracket 1
Carburetor
Controller 1
Crankshaft & Piston
Cylinder & Crankcase
Fuel
Intake
Lower Casing & Drive
Starter
Steering
Top Cowling
Upper Casing