Diagram Sections: E40XMH (1999)
Download as PDF-
Bottom Cowling
-
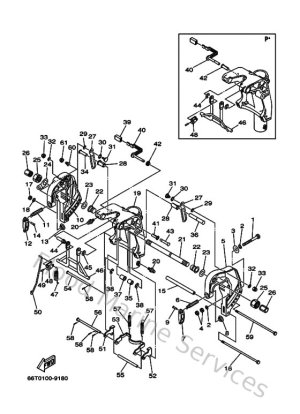
Bracket 1
-
Bracket 3
-
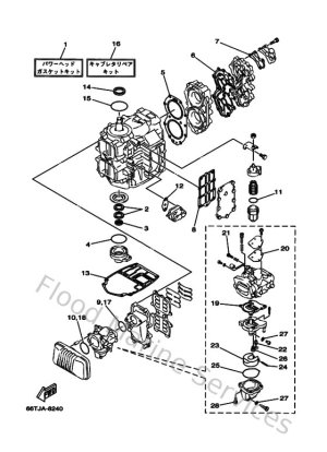
Carburetor
-
Control
-
Crankshaft & Piston
-
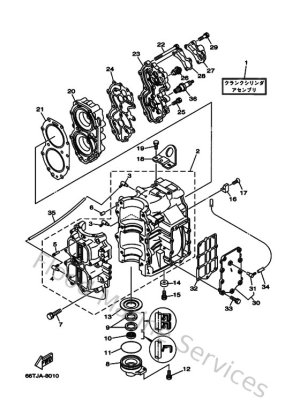
Cylinder & Crankcase
-
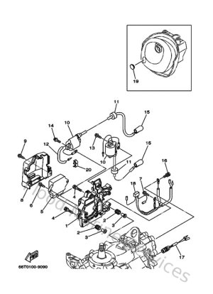
Electrical 1
-
Fuel
-
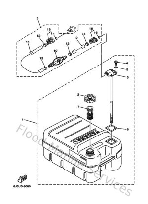
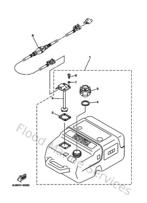
Fuel Tank
-
Fuel Tank 2
-
Generator
-
Intake
-
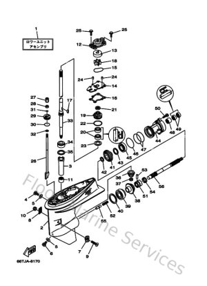
Lower Casing & Drive 1
-
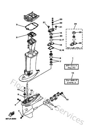
Lower Casing & Drive 2
-
Remo Con Attachment
-
Remote Control Assy 2
-
Remote Control Box
-
Repair Kit 1
-
Repair Kit 2
-
Repair Kit 3
-
Starter
-
Steering
-
Steering 2
-
Top Cowling
-
Upper Casing