New Search
Parts
New Outboards
Diagram Sections: E40XMH (2001)
Download as PDF
Bottom Cowling
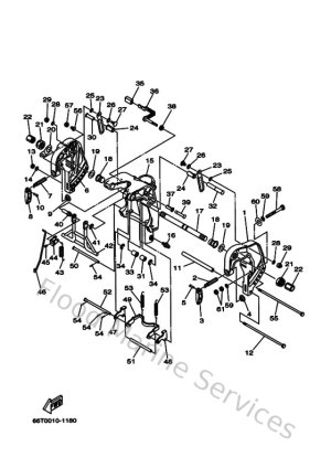
Bracket 1
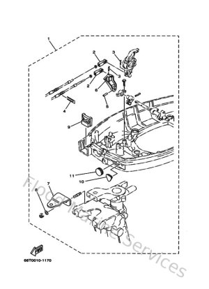
Bracket 3
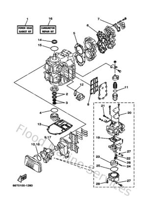
Carburetor
Control
Crankshaft & Piston
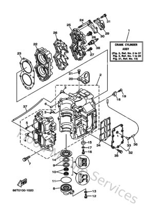
Cylinder & Crankcase
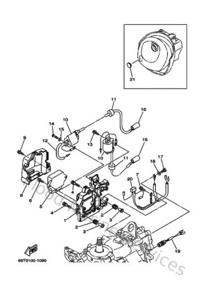
Electrical 1
Fuel
Fuel Tank
Fuel Tank 2
Generator
Intake
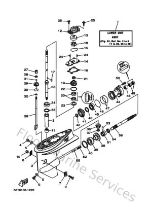
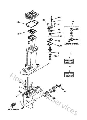
Lower Casing & Drive 1
Lower Casing & Drive 2
Remo Con Attachment
Repair Kit 1
Repair Kit 2
Repair Kit 3
Starter
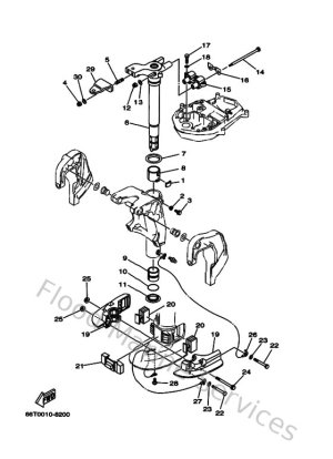
Steering
Top Cowling
Upper Casing