Diagram Sections: E55CMH (2003)
Download as PDF-
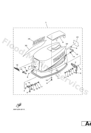
BOTTOM COWLING
-
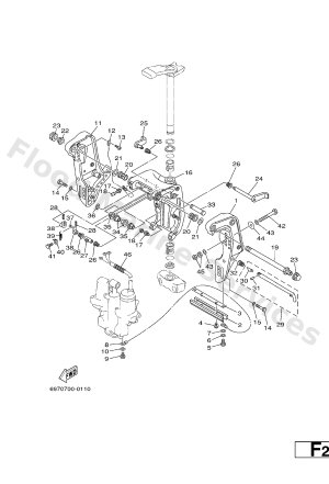
BRACKET 1
-
BRACKET 2
-
BRACKET 3
-
BRACKET 4
-
BRACKET 5
-
BRACKET 6
-
CONTROL
-
CYLINDER. CRANKCASE
-
ELECTRICAL 1
-
ELECTRICAL 2
-
ELECTRICAL 3
-
FUEL
-
FUEL TANK
-
GENERATOR 1
-
GENERATOR 2
-
INTAKE
-
LOWER CASING. DRIVE 1
-
LOWER CASING. DRIVE 2
-
LOWER CASING. DRIVE 3
-
METER 1
-
METER 2
-
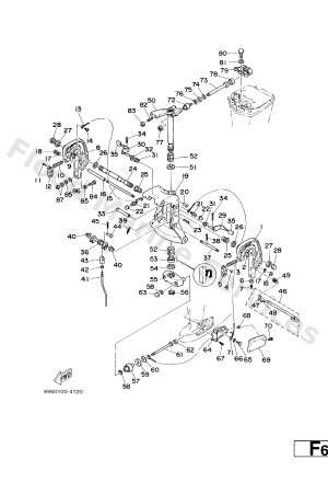
POWER TRIM & TILT ASSY
-
REMOTE CONTROL ASSY
-
REMOTE CONTROL BOX
-
REPAIR KIT 1
-
REPAIR KIT 2
-
STARTER
-
STARTING MOTOR
-
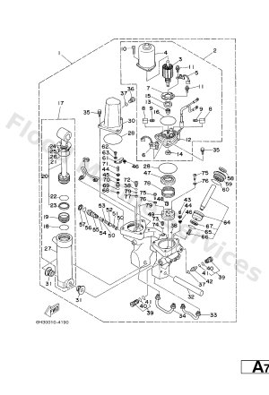
STEERING
-
STEERING GUIDE
-
TOP COWLING 1
-
TOP COWLING 2
-
UPPER CASING