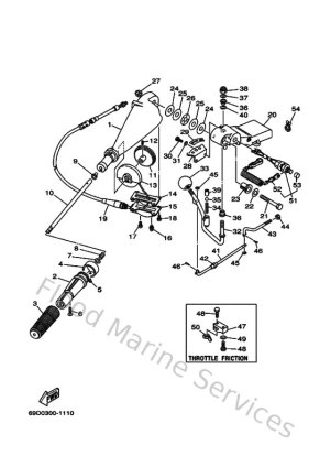
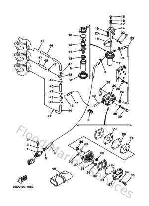
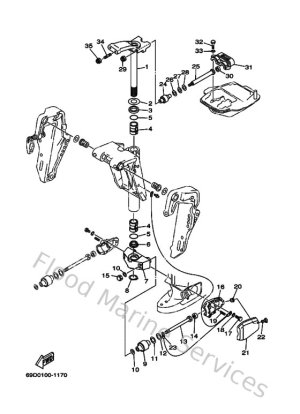
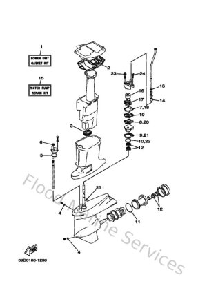
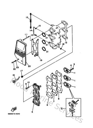
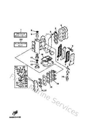
Diagram Sections: E60HM (2001)

Download as PDF