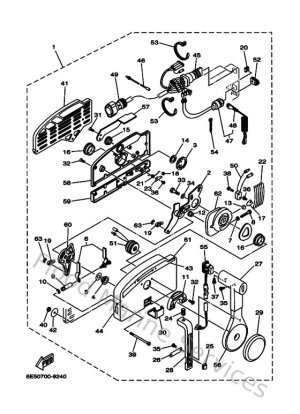
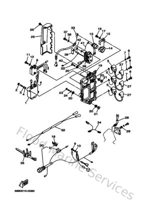
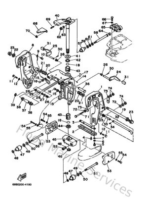
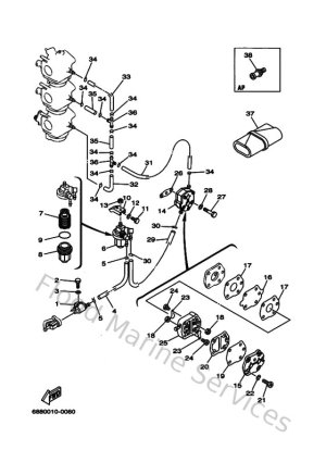
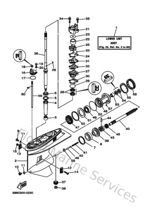
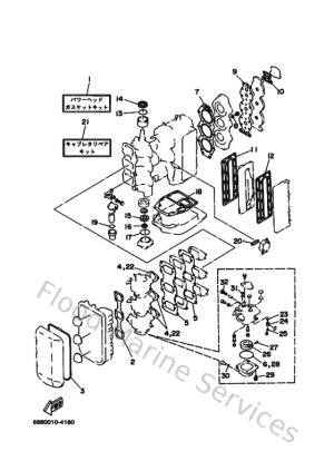
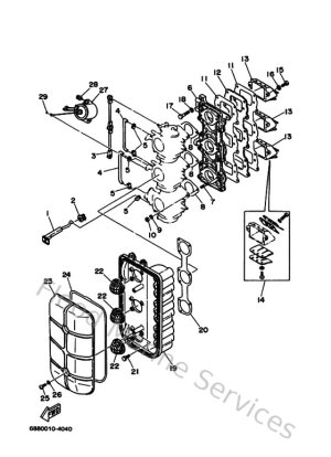
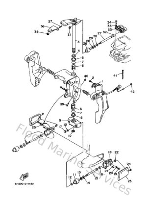
Diagram Sections: E75BE (2000)

Download as PDF