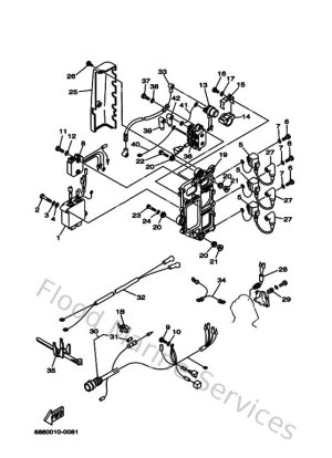
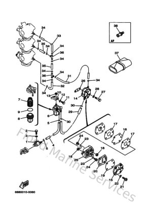
Diagram Sections: E75BE (2001)

Download as PDF