Diagram Sections: F20AE (2005)
Download as PDF-
BOTTOM COWLING
-
BRACKET 1
-
BRACKET 2
-
BRACKET 3
-
CARBURETOR
-
CONTROL
-
CRANKSHAFT & PISTON
-
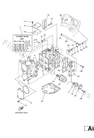
CYLINDER & CRANKCASE 1
-
CYLINDER & CRANKCASE 2
-
ELECTRICAL 1
-
ELECTRICAL 2
-
ELECTRICAL 3
-
FUEL
-
FUEL TANK
-
GENERATOR
-
INTAKE
-
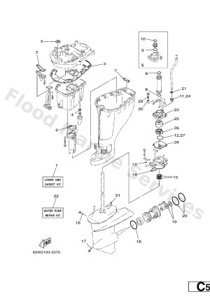
LOWER CASING & DRIVE 1
-
LOWER CASING & DRIVE 2
-
OIL PAN
-
OIL PUMP
-
POWER TRIM & TILT ASSY
-
REMO CON ATTACHMENT
-
REMOTE CONTROL ASSY
-
REMOTE CONTROL BOX
-
REPAIR KIT 1
-
REPAIR KIT 2
-
REPAIR KIT 3
-
STARTER
-
STARTING MOTOR
-
STEERING
-
STEERING GUIDE
-
TOP COWLING
-
UPPER CASING
-
VALVE