Diagram Sections: F20AM (1998)
Download as PDF-
Bottom Cowling
-
Bracket 1
-
Bracket 3
-
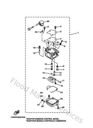
Carburetor
-
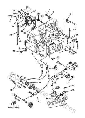
Control
-
Crankshaft & Piston
-
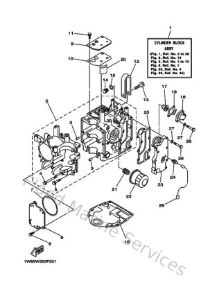
Cylinder & Crankcase 1
-
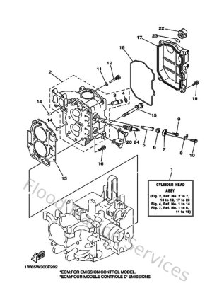
Cylinder & Crankcase 2
-
Electrical 1
-
Electrical 2
-
Fuel
-
Generator
-
Intake
-
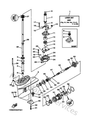
Lower Casing & Drive 1
-
Lower Casing & Drive 2
-
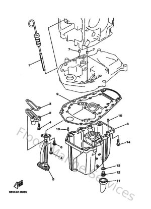
Oil Pan
-
Oil Pump
-
Repair Kit 1
-
Repair Kit 2
-
Repair Kit 3
-
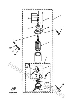
Starting Motor
-
Steering Guide
-
Top Cowling
-
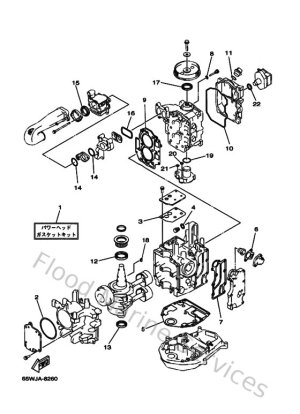
Upper Casing
-
Valve