Diagram Sections: F20AM (1999)
Download as PDF-
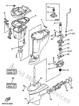
Boitier Dhelice, Transmissio
-
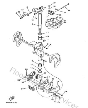
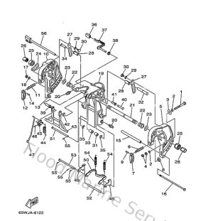
Bracket 1
-
Bracket 2
-
Bracket 3
-
Capot Infprieur
-
Capot Supprieur
-
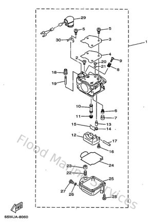
Carburetor
-
Controle
-
Crankshaft & Piston
-
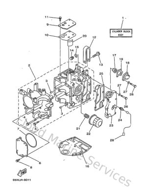
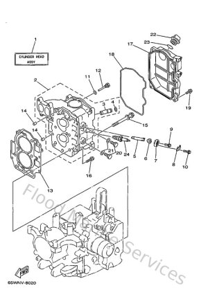
Cylinder. Crankcase 1
-
Cylinder. Crankcase 2
-
Electrical 1
-
Electrical 2
-
Electrical 3
-
Fuel
-
Generator
-
Intake
-
Kits De Reparation 3
-
Meter
-
Oil Pan
-
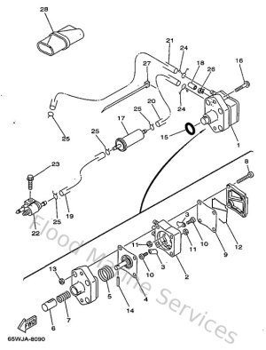
Oil Pump
-
Power Trim & Tilt Assy
-
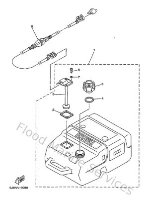
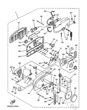
Remote Control Assy 1
-
Remote Control Assy 2
-
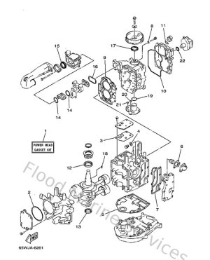
Repair Kit 1
-
Repair Kit 2
-
Rpservoir A Carburant
-
Starting Motor
-
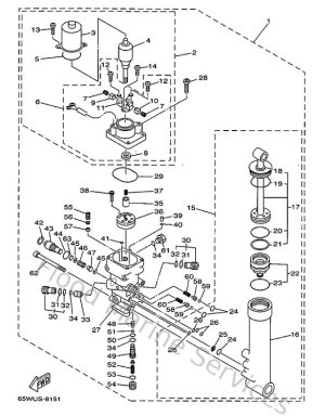
Steering 1
-
Steering 2
-
Steering Guide Attachment
-
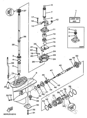
Upper Casing
-
Valve