Diagram Sections: F20AM (2000)
Download as PDF-
Bottom Cowling
-
Bracket 1
-
Bracket 3
-
Carburetor
-
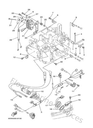
Control
-
Crankshaft & Piston
-
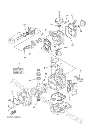
Cylinder. Crankcase
-
Cylinder. Crankcase 2
-
Electrical 1
-
Electrical 2
-
Fuel
-
Fuel Tank
-
Generator
-
Intake
-
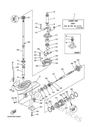
Lower Casing. Drive 1
-
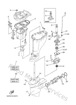
Lower Casing. Drive 2
-
Oil Pan
-
Oil Pump
-
Repair Kit 1
-
Repair Kit 2
-
Repair Kit 3
-
Top Cowling
-
Upper Casing
-
Valve