Diagram Sections: F225CET (2009)
Download as PDF-
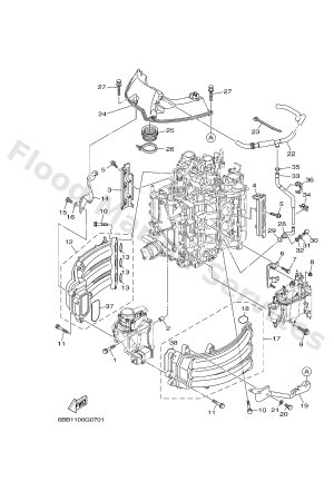
BOTTOM COWLING 1
-
BOTTOM COWLING 2
-
BRACKET 1
-
BRACKET 2
-
CONTROL
-
CRANKSHAFT & PISTON
-
CYLINDER & CRANKCASE 1
-
CYLINDER & CRANKCASE 2
-
CYLINDER & CRANKCASE 3
-
ELECTRICAL 1
-
ELECTRICAL 2
-
ELECTRICAL 3
-
FUEL 1
-
FUEL 2
-
FUEL INJECTION PUMP 1
-
FUEL INJECTION PUMP 2
-
GENERATOR
-
INTAKE 1
-
INTAKE 2
-
LOWER CASING & DRIVE 1
-
LOWER CASING & DRIVE 2
-
OIL PAN
-
POWER TRIM & TILT ASSY 1
-
POWER TRIM & TILT ASSY 2
-
REPAIR KIT 1
-
REPAIR KIT 2
-
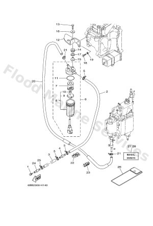
STARTING MOTOR
-
THROTTLE BODY ASSY 1
-
THROTTLE BODY ASSY 2
-
THROTTLE BODY ASSY 3
-
TOP COWLING
-
UPPER CASING
-
VALVE