Diagram Sections: F25DE (2015)
Download as PDF-
BOTTOM COWLING 1
-
BOTTOM COWLING 2
-
BRACKET 1
-
BRACKET 2
-
BRACKET 3
-
CARBURETOR
-
CONTROL 1
-
CONTROL 2
-
CRANKSHAFT & PISTON
-
CYLINDER & CRANKCASE 1
-
CYLINDER & CRANKCASE 2
-
ELECTRICAL 1
-
ELECTRICAL 2
-
ELECTRICAL 3
-
ELECTRICAL 4
-
ELECTRICAL 5
-
FUEL
-
FUEL TANK 1
-
FUEL TANK 2
-
GENERATOR
-
INTAKE
-
LOWER CASING & DRIVE 1
-
LOWER CASING & DRIVE 2
-
OIL PAN
-
OIL PUMP
-
POWER TRIM & TILT ASSY
-
REMO CON ATTACHMENT
-
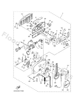
REMOTE CONTROL ASSY 1
-
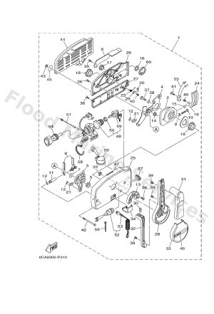
REMOTE CONTROL ASSY 2
-
REMOTE CONTROL BOX
-
REPAIR KIT 1
-
REPAIR KIT 2
-
REPAIR KIT 3
-
SCHEDULED SERVICE PARTS
-
STARTER
-
STARTING MOTOR
-
STEERING
-
STEERING FRICTION
-
STEERING GUIDE
-
TOP COWLING
-
UPPER CASING
-
VALVE