Diagram Sections: F300NSB2 (2024)
Download as PDF-
BOTTOM COWLING 1
-
BOTTOM COWLING 2
-
BOTTOM COWLING 3
-
BOTTOM COWLING 4
-
BRACKET 1
-
BRACKET 2
-
BRACKET 3
-
BRACKET 4
-
CONTROL
-
CRANKSHAFT & PISTON
-
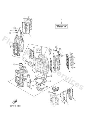
CYLINDER & CRANKCASE 1
-
CYLINDER & CRANKCASE 2
-
CYLINDER & CRANKCASE 3
-
CYLINDER & CRANKCASE 4
-
ELECTRICAL 1
-
ELECTRICAL 2
-
ELECTRICAL 3
-
ELECTRICAL 4
-
ELECTRICAL 5
-
FUEL 1
-
FUEL 2
-
FUEL INJECTION PUMP 1
-
FUEL INJECTION PUMP 2
-
GENERATOR
-
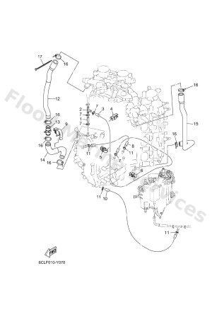
INTAKE 1
-
INTAKE 2
-
OIL PAN
-
OPTIONAL PARTS 1
-
OPTIONAL PARTS 2
-
OPTIONAL PARTS 3
-
OPTIONAL PARTS 4
-
OPTIONAL PARTS 5
-
OPTIONAL PARTS 6
-
OPTIONAL PARTS 7
-
POWER TRIM & TILT ASSY 1
-
POWER TRIM & TILT ASSY 2
-
REPAIR KIT 1
-
REPAIR KIT 2
-
SCHEDULED SERVICE PARTS
-
STARTING MOTOR
-
THROTTLE BODY ASSY 1
-
THROTTLE BODY ASSY 2
-
TOP COWLING
-
UPPER CASING
-
VALVE