Diagram Sections: F40AET (1999)
Download as PDF-
Bottom Cowling
-
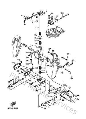
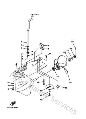
Bracket 1
-
Bracket 5
-
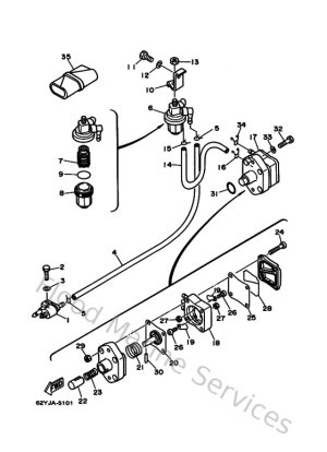
Carburetor
-
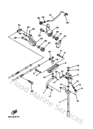
Carburetor Link
-
Control
-
Crankshaft & Piston
-
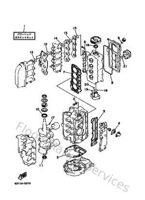
Cylinder & Crankcase
-
Cylinder & Crankcase 2
-
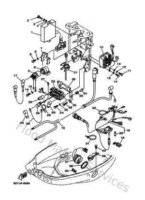
Electrical 1
-
Electrical 2
-
Fuel
-
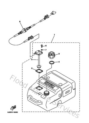
Fuel Tank
-
Generator
-
Intake
-
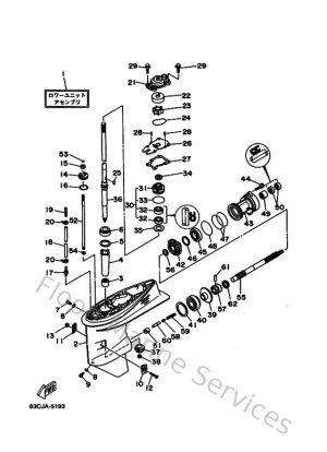
Lower Casing & Drive 1
-
Lower Casing & Drive 2
-
Meter
-
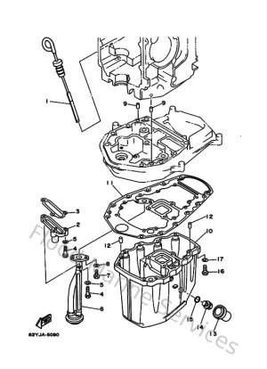
Oil Pan
-
Oil Pump
-
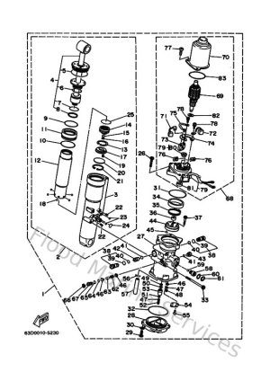
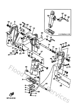
Power Trim & Tilt Assy
-
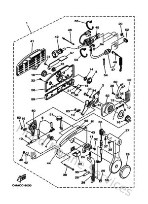
Remote Control Assy 1
-
Remote Control Box
-
Repair Kit 1
-
Repair Kit 2
-
Repair Kit 3
-
Starting Motor
-
Steering Guide
-
Top Cowling
-
Upper Casing
-
Valve