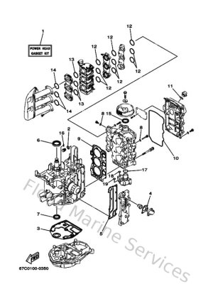
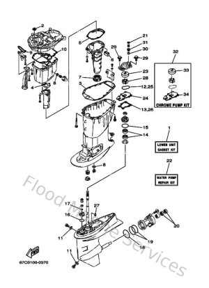
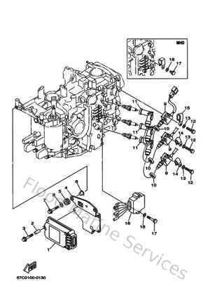
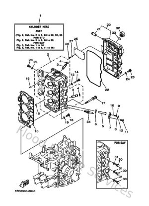
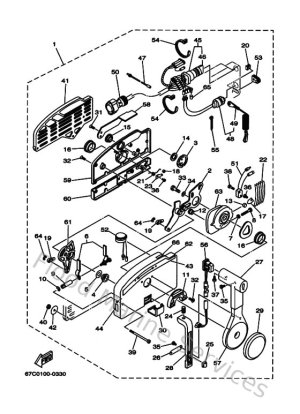
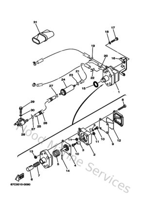
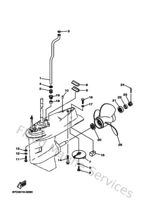
Diagram Sections: F40BM (2000)

Download as PDF