Diagram Sections: F40BM (2001)
Download as PDF-
Bottom Cowling
-
Bracket 1
-
Bracket 3
-
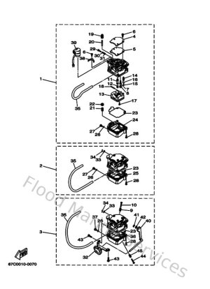
Carburetor
-
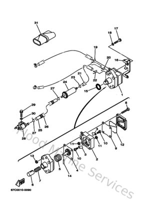
Control
-
Crankshaft & Piston
-
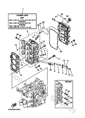
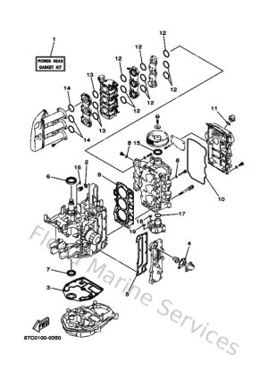
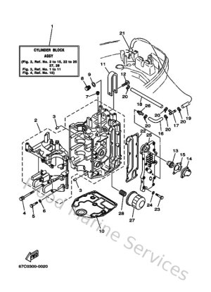
Cylinder & Crankcase
-
Cylinder & Crankcase 2
-
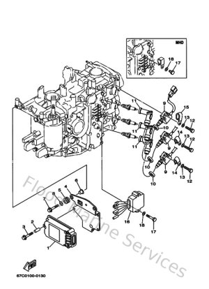
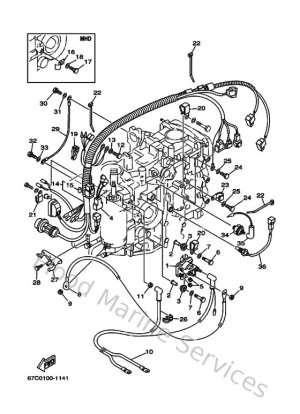
Electrical 1
-
Electrical 2
-
Fuel
-
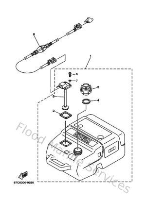
Fuel Tank
-
Generator
-
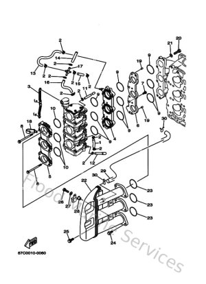
Intake
-
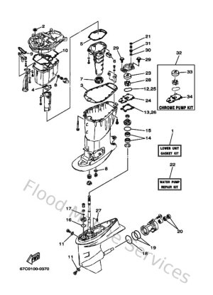
Lower Casing & Drive 1
-
Lower Casing & Drive 2
-
Meter
-
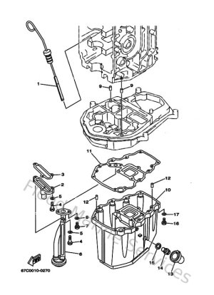
Oil Pan
-
Oil Pump
-
Remote Control Assy 1
-
Remote Control Box
-
Repair Kit 1
-
Repair Kit 2
-
Repair Kit 3
-
Starting Motor
-
Steering Guide
-
Top Cowling
-
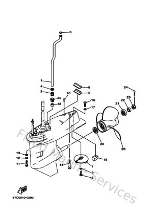
Upper Casing
-
Valve