Diagram Sections: F45A (1997)
Download as PDF-
Alternate 1 (FIXATIONS DE DIRECTION)
-
Bielette Carburateur
-
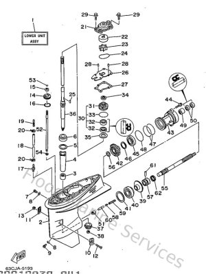
Boitier Dhelice, Transmissio (F50A/F45A)
-
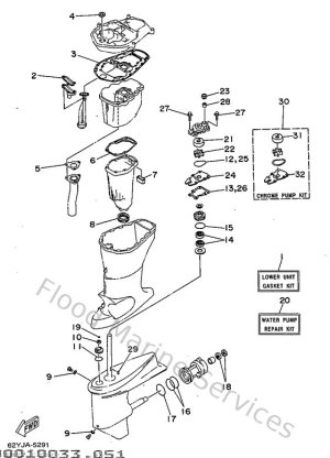
Boitier Dhelice, Transmissio (F50B)
-
Bottom Cowling
-
Bracket 1
-
Bracket 2
-
Carburetor
-
Control
-
Crankshaft & Piston
-
Cylinder. Crankcase 1
-
Cylinder. Crankcase 2
-
Electrical 1
-
Electrical 2
-
Fuel
-
Generator
-
Intake
-
Kits De Reparation 3 (F50A/F45A)
-
Kits De Reparation 4 (F50B)
-
Oil Pump
-
Puissance Pare Et Incliner, En
-
Repair Kit 1
-
Repair Kit 2
-
Starting Motor
-
Top Cowling
-
Upper Casing
-
Valve
-
Ventilateur D Huile