New Search
Parts
New Outboards
Diagram Sections: F5AMH (2011)
Download as PDF
BOTTOM COWLING
BRACKET
CARBURETOR
CONTROL
CRANKSHAFT & PISTON
CYLINDER & CRANKCASE 1
CYLINDER & CRANKCASE 2
ELECTRICAL
FUEL 1
FUEL 2
GENERATOR
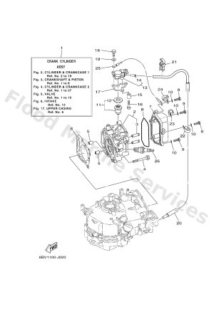
INTAKE
LOWER CASING & DRIVE 1
LOWER CASING & DRIVE 2
OPTIONAL PARTS
REPAIR KIT 1
REPAIR KIT 2
REPAIR KIT 3
STARTER
STEERING
TOP COWLING
UPPER CASING
VALVE