Diagram Sections: F6AMH (2001)
Download as PDF-
Bottom Cowling
-
Bracket 1
-
Bracket 2
-
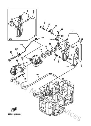
Carburetor
-
Control
-
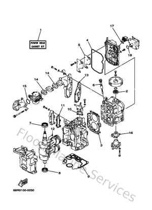
Crankshaft & Piston
-
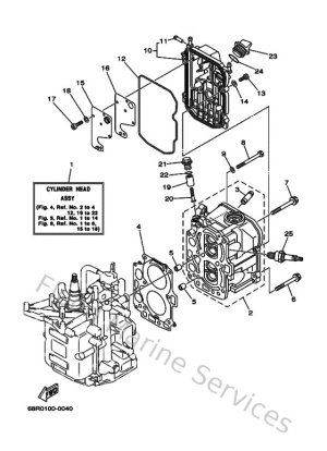
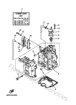
Cylinder & Crankcase
-
Cylinder & Crankcase 2
-
Electrical 1
-
Electrical 2
-
Fuel
-
Fuel 2
-
Fuel Tank
-
Generator
-
Intake
-
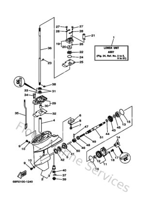
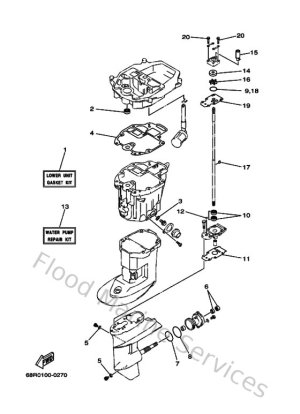
Lower Casing & Drive 1
-
Lower Casing & Drive 2
-
Oil Pan
-
Oil Pump
-
Remo Con Attachment
-
Repair Kit 1
-
Repair Kit 2
-
Repair Kit 3
-
Starter
-
Steering
-
Steering Friction
-
Top Cowling
-
Upper Casing
-
Valve