Diagram Sections: F70AET (2021)
Download as PDF-
BOTTOM COWLING 1
-
BOTTOM COWLING 2
-
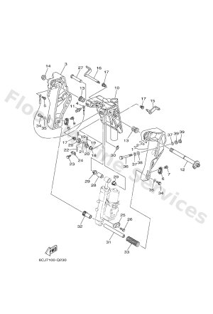
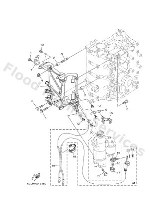
BRACKET 1
-
BRACKET 2
-
CONTROL
-
CRANKSHAFT & PISTON
-
CYLINDER & CRANKCASE 1
-
CYLINDER & CRANKCASE 2
-
ELECTRICAL 1
-
ELECTRICAL 2
-
ELECTRICAL 3
-
ELECTRICAL 4
-
FUEL
-
FUEL INJECTION PUMP 1
-
FUEL INJECTION PUMP 2
-
FUEL TANK
-
GENERATOR
-
INTAKE 1
-
INTAKE 2
-
INTAKE 3
-
LOWER CASING & DRIVE 1
-
LOWER CASING & DRIVE 2
-
OIL PAN
-
OIL PUMP
-
OPTIONAL PARTS 1
-
OPTIONAL PARTS 2
-
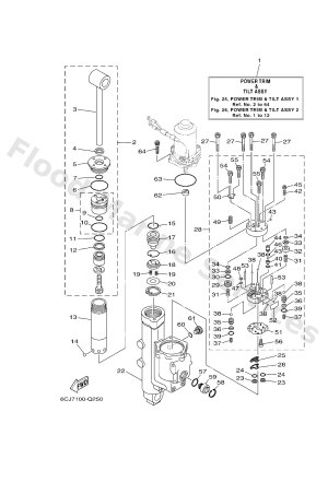
POWER TRIM & TILT ASSY 1
-
POWER TRIM & TILT ASSY 2
-
REPAIR KIT 1
-
REPAIR KIT 2
-
SCHEDULED SERVICE PARTS
-
STARTING MOTOR
-
STEERING GUIDE
-
TOP COWLING
-
UPPER CASING
-
VALVE