Diagram Sections: F80AET (2004)
Download as PDF-
BOTTOM COWLING
-
BRACKET 1
-
BRACKET 2
-
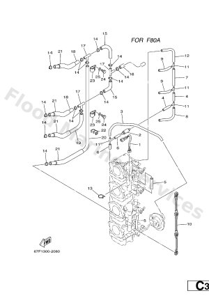
CARBURETOR 1
-
CARBURETOR 2
-
CARBURETOR 3
-
CONTROL
-
CRANKSHAFT & PISTON
-
CYLINDER & CRANKCASE 1
-
CYLINDER & CRANKCASE 2
-
ELECTRICAL 1
-
ELECTRICAL 2
-
ELECTRICAL 3
-
FUEL 1
-
FUEL 2
-
FUEL TANK
-
GENERATOR
-
INTAKE
-
LOWER CASING & DRIVE 1
-
LOWER CASING & DRIVE 2
-
METER
-
OIL PAN
-
OPTIONAL PARTS
-
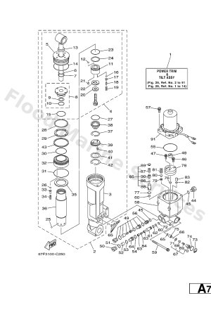
POWER TRIM & TILT ASSY 1
-
POWER TRIM & TILT ASSY 2
-
REMOTE CONTROL ASSY
-
REMOTE CONTROL BOX
-
REPAIR KIT 1
-
REPAIR KIT 2
-
REPAIR KIT 3
-
STARTING MOTOR
-
STEERING 1
-
STEERING 2
-
STEERING FRICTION
-
STEERING GUIDE
-
TOP COWLING
-
UPPER CASING
-
VALVE