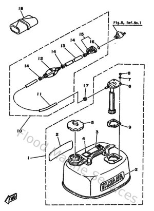
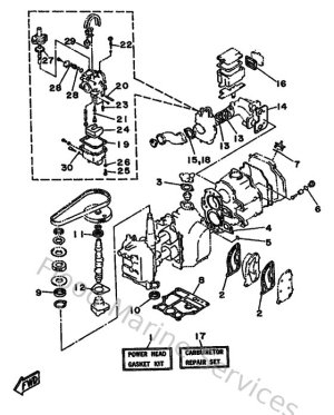
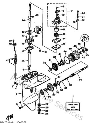
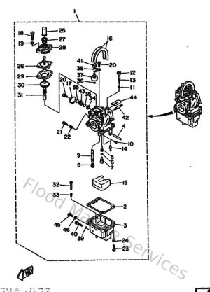
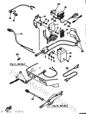
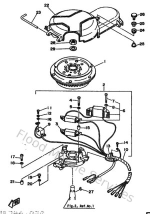
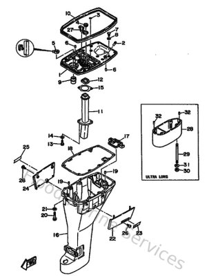
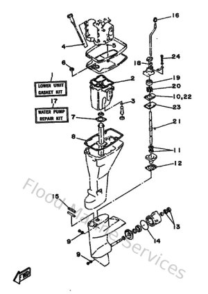
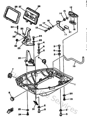
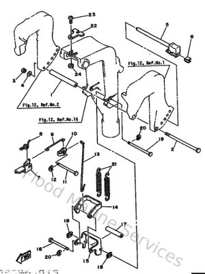
Diagram Sections: F8AMH (1987)

Download as PDF