Diagram Sections: F8BMH (1986)
Download as PDF-
Bottom Cowling
-
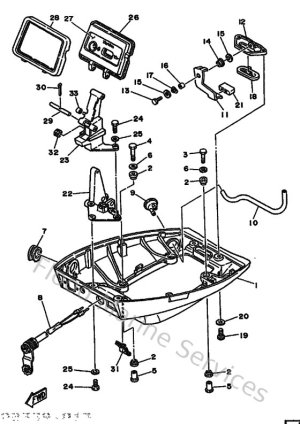
Bracket 1
-
Bracket 2
-
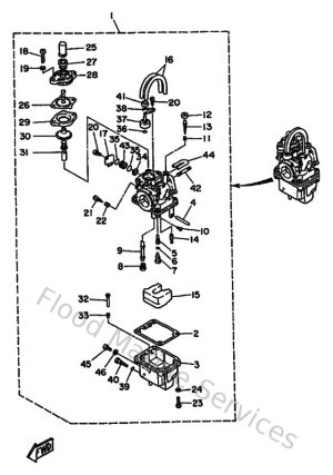
Carburetor
-
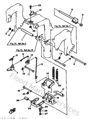
Control
-
Crankshaft & Piston
-
Cylinder & Crankcase
-
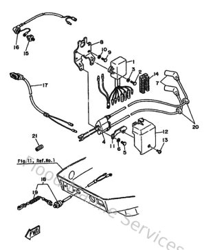
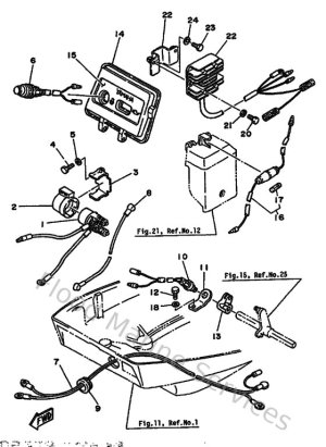
Electric Parts
-
Electrical
-
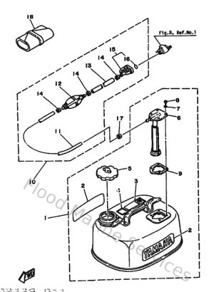
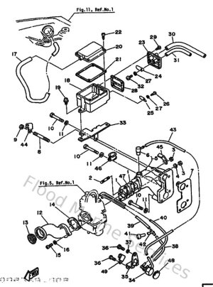
Fuel 1
-
Fuel 2
-
Intake
-
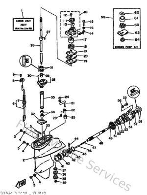
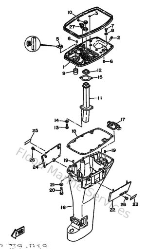
Lower Casing & Drive 1
-
Lower Casing & Drive 2
-
Magneto
-
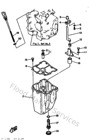
Oil Pan
-
Oil Pump
-
Optional Parts
-
Remote Control
-
Remote Control Assy
-
Repair Kit
-
Starter
-
Starting Motor
-
Steering
-
Top Cowling
-
Upper Casing
-
Valve