Diagram Sections: F8BMH (1988)
Download as PDF-
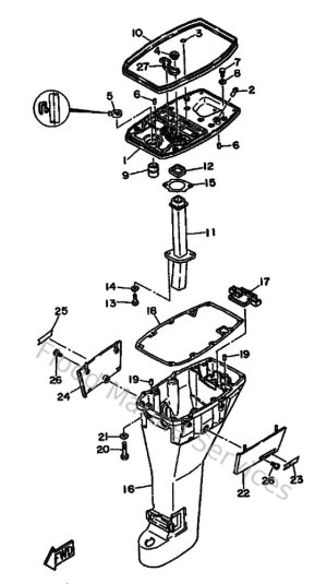
Bottom Cowling
-
Bracket 1
-
Bracket 2
-
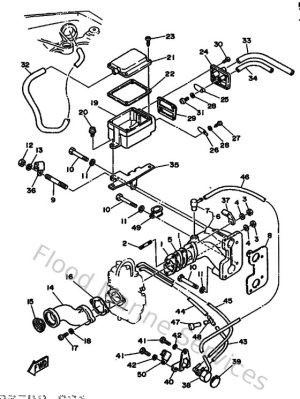
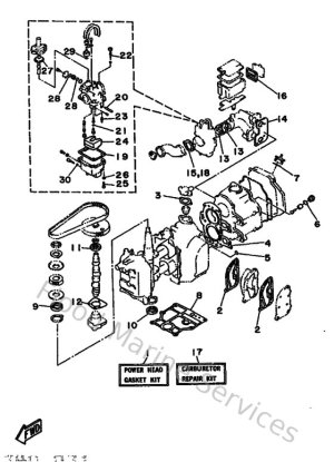
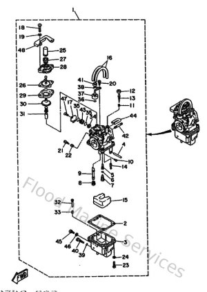
Carburetor
-
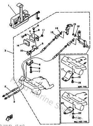
Control
-
Crankshaft & Piston
-
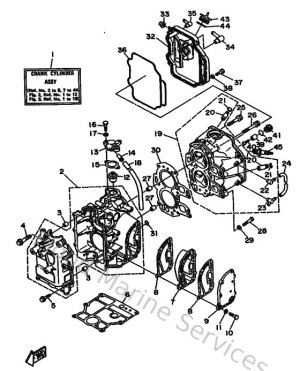
Cylinder & Crankcase
-
Electric Motor
-
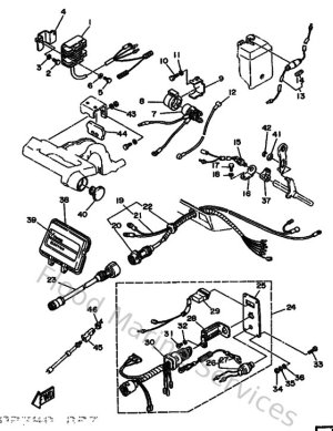
Electric Parts
-
Electric Parts 2
-
Electrical 1
-
Fuel
-
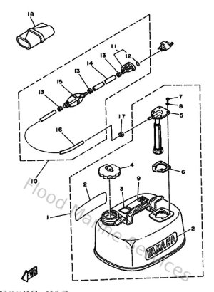
Fuel Tank
-
Generator
-
Intake
-
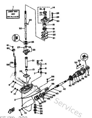
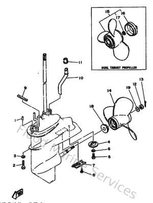
Lower Casing & Drive 1
-
Lower Casing & Drive 2
-
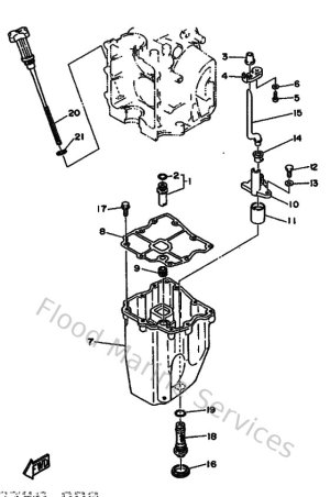
Oil Pan
-
Oil Pump
-
Optional Parts
-
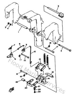
Remote Control
-
Remote Control Assy
-
Repair Kit 1
-
Repair Kit 2
-
Starter
-
Steering
-
Top Cowling
-
Upper Casing
-
Valve