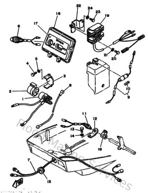
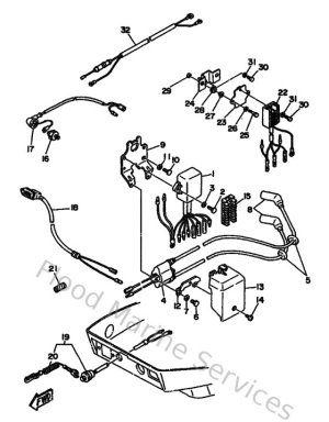
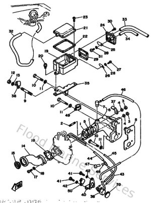
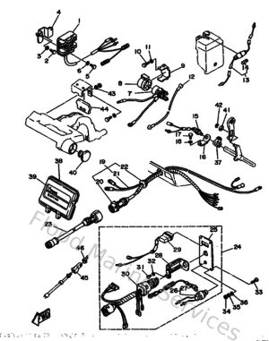
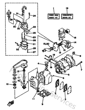
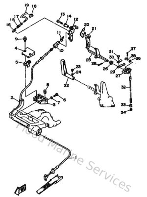
Diagram Sections: F8BMH (1990)

Download as PDF