Diagram Sections: F8BMH (1995)
Download as PDF-
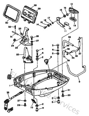
Bottom Cowling
-
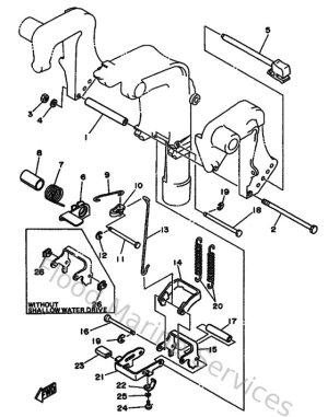
Bracket 1
-
Bracket 2
-
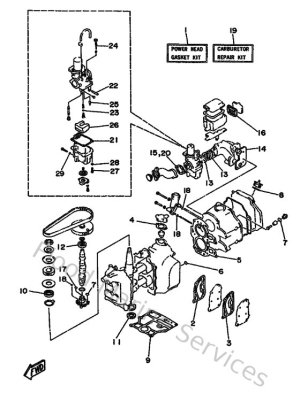
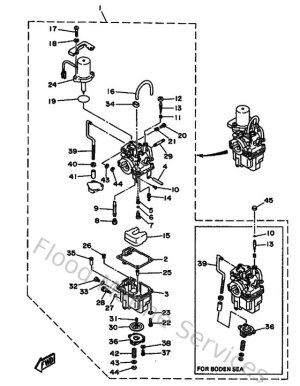
Carburetor
-
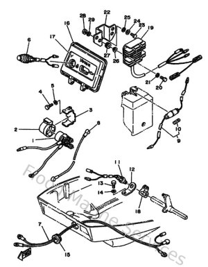
Controller 1
-
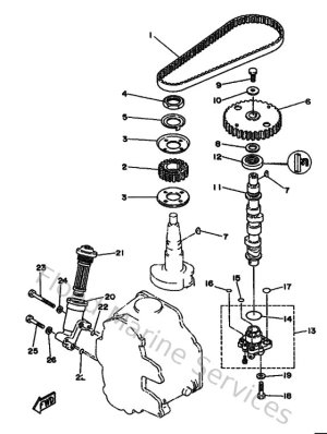
Crankshaft & Piston
-
Cylinder & Crankcase
-
Demarreur Electrique
-
Fuel
-
Generatrice
-
Intake
-
Kits De Reparation 1
-
Kits De Reparation 2
-
Lower Casing & Drive
-
Oil Pan
-
Oil Pump
-
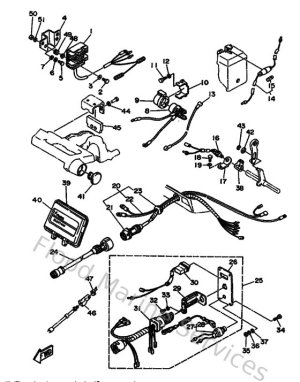
Partie Electrique 1
-
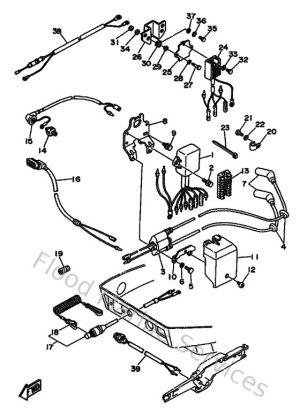
Partie Electrique 2
-
Partie Electrique 3
-
Starter
-
Steering
-
Top Cowling
-
Upper Casing
-
Valve