Diagram Sections: F9.9BMH (1995)
Download as PDF-
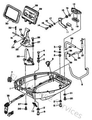
Bottom Cowling
-
Bracket 1
-
Bracket 2
-
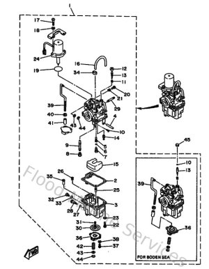
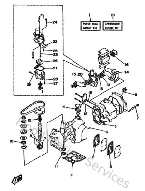
Carburetor
-
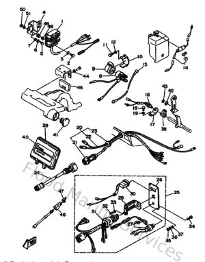
Controller 1
-
Crankshaft & Piston
-
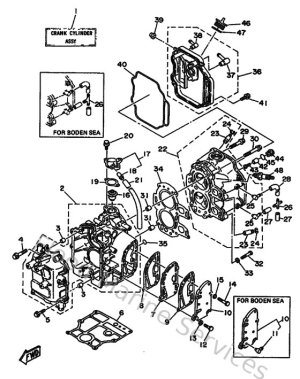
Cylinder & Crankcase
-
Demarreur Electrique
-
Fuel
-
Generatrice
-
Intake
-
Kits De Reparation 1
-
Kits De Reparation 2
-
Lower Casing & Drive
-
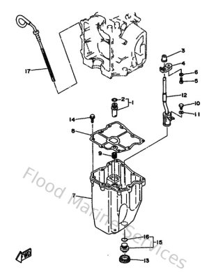
Oil Pan
-
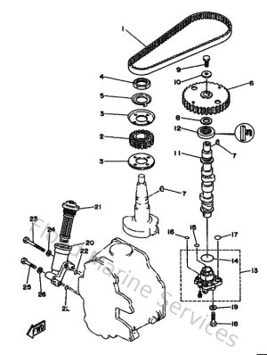
Oil Pump
-
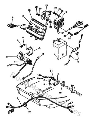
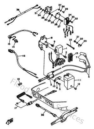
Partie Electrique 1
-
Partie Electrique 2
-
Partie Electrique 3
-
Starter
-
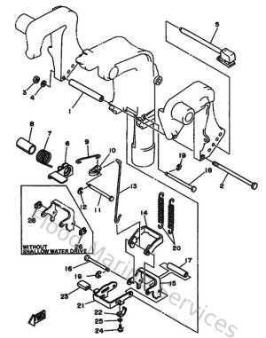
Steering
-
Top Cowling
-
Upper Casing
-
Valve