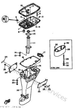
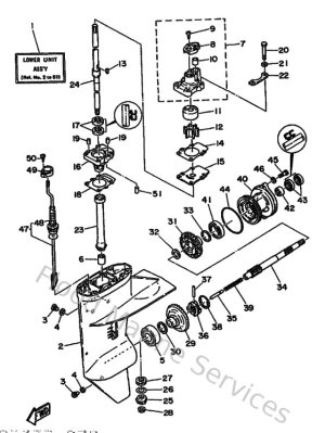
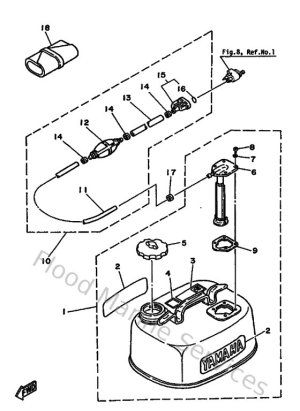
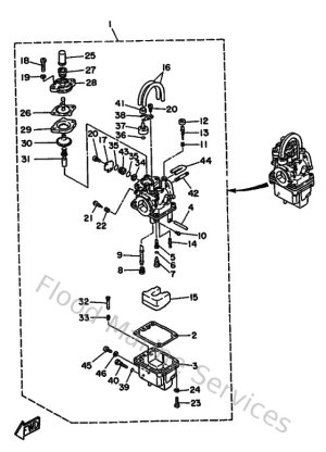
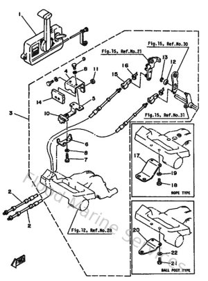
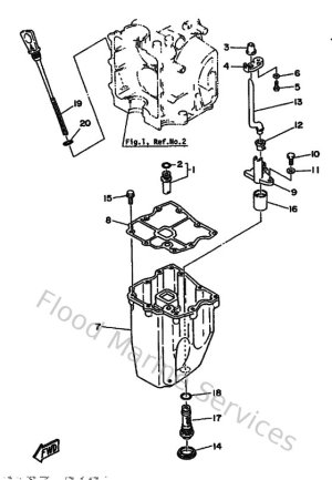
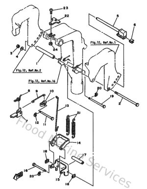
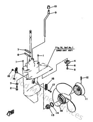
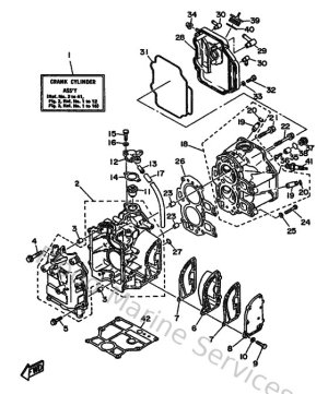
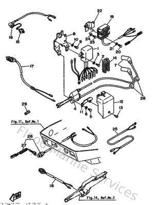
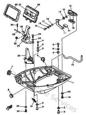
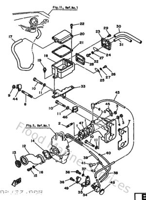
Diagram Sections: FT9.9AMH (1986)

Download as PDF