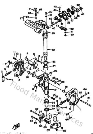
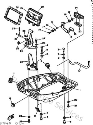
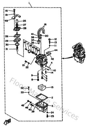
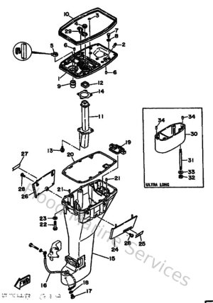
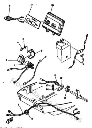
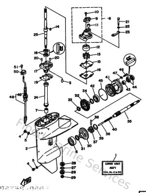
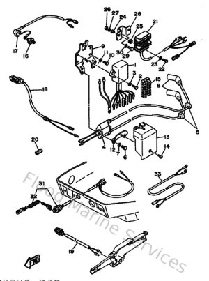
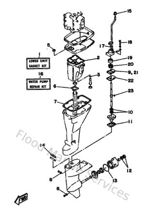
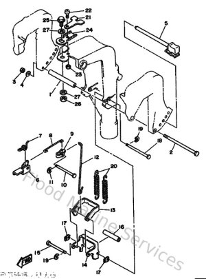
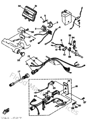
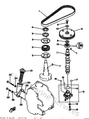
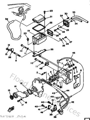
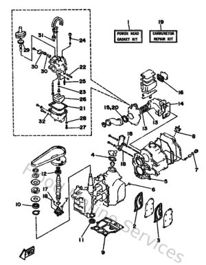
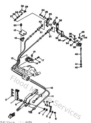
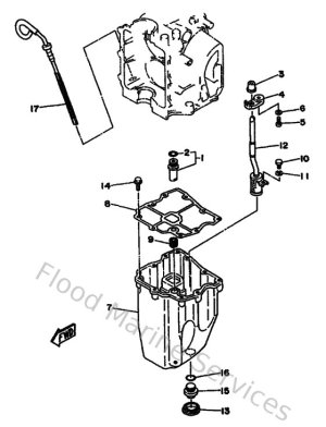
Diagram Sections: FT9.9AMH (1990)

Download as PDF