Diagram Sections: FT9.9AMH (1998)
Download as PDF-
Bottom Cowling
-
Bracket 1
-
Bracket 2
-
Carburetor
-
Control
-
Crankshaft & Piston
-
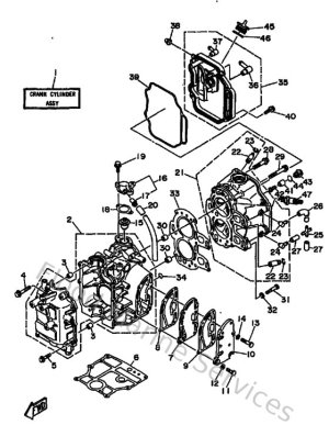
Cylinder & Crankcase
-
Electric Motor
-
Electric Parts
-
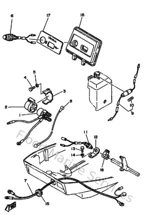
Electrical 1
-
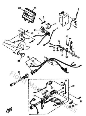
Electrical 2
-
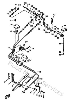
Electrical 3
-
Fuel
-
Generator
-
Intake
-
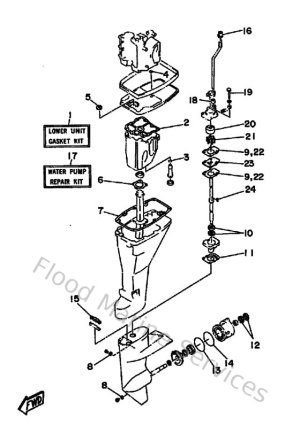
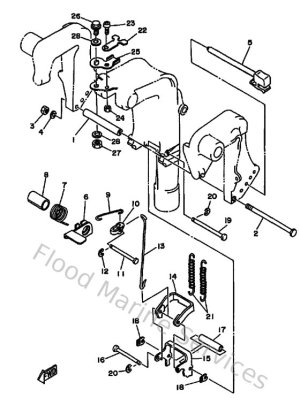
Lower Casing & Drive 1
-
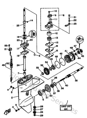
Lower Casing & Drive 2
-
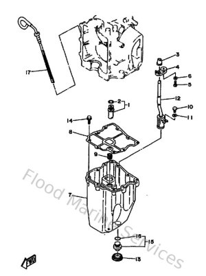
Oil Pan
-
Oil Pump
-
Repair Kit 1
-
Repair Kit 2
-
Starter
-
Steering
-
Top Cowling
-
Upper Casing
-
Valve