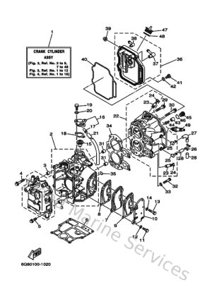
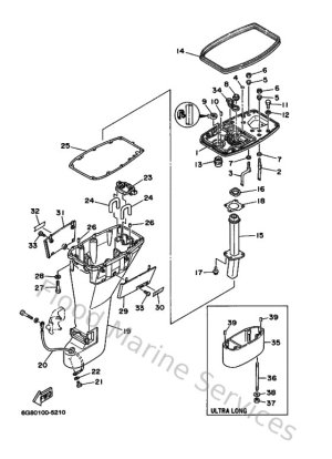
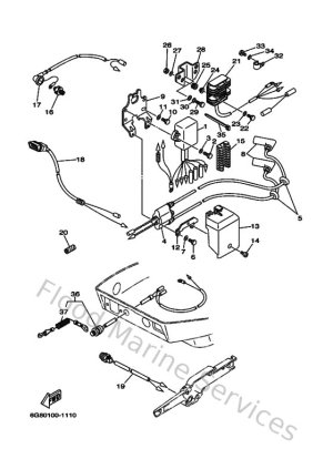
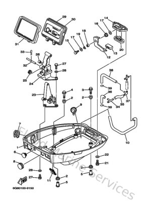
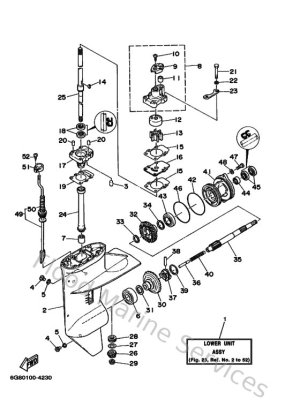
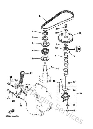
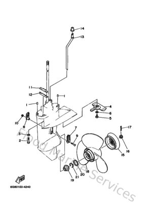
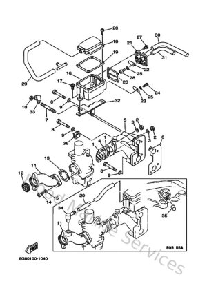
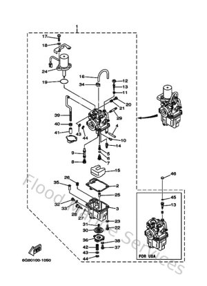
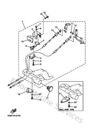
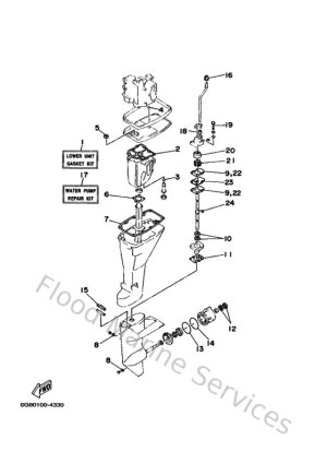
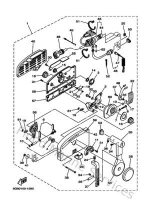
Diagram Sections: FT9.9AMH (2001)

Download as PDF