Diagram Sections: FT9.9DMHSL (2000)
Download as PDF-
Bottom Cowling
-
Bracket 1
-
Bracket 2
-
Carburetor
-
Comm&e A Distance
-
Control
-
Crankshaft & Piston
-
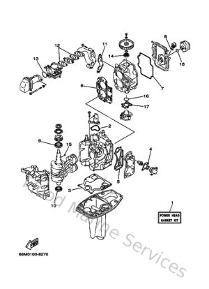
Cylinder & Crankcase 1
-
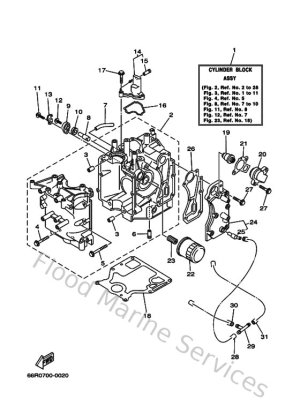
Cylinder & Crankcase 2
-
Fuel
-
Fuel Tank 1
-
Fuel Tank 2
-
Generatrice
-
Intake
-
Kits De Peparation 3
-
Kits De Reparation 1
-
Kits De Reparation 2
-
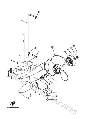
Lower Casing & Drive 1
-
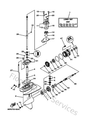
Lower Casing & Drive 2
-
Oil Pan
-
Oil Pump
-
Partie Electrique 1
-
Starter
-
Steering 1
-
Steering 2
-
Top Cowling
-
Upper Casing
-
Valve