Diagram Sections: FT9.9DMHSL (2001)
Download as PDF-
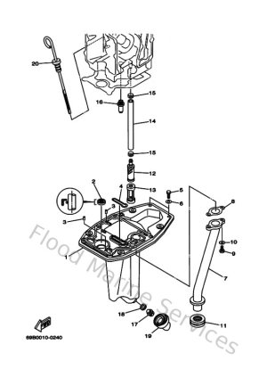
Bottom Cowling
-
Bracket 1
-
Bracket 2
-
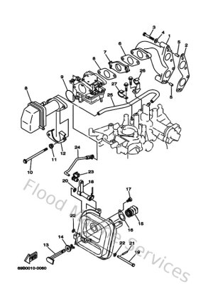
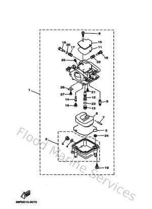
Carburetor
-
Control
-
Crankshaft & Piston
-
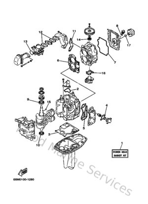
Cylinder & Crankcase
-
Cylinder & Crankcase 2
-
Electrical 1
-
Fuel
-
Fuel Tank
-
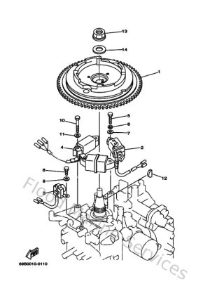
Generator
-
Intake
-
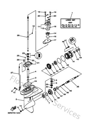
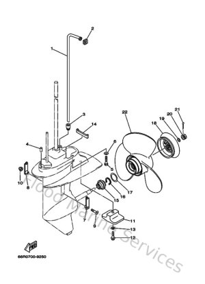
Lower Casing & Drive 1
-
Lower Casing & Drive 2
-
Oil Pan
-
Oil Pump
-
Remo Con Attachment
-
Repair Kit 1
-
Repair Kit 2
-
Repair Kit 3
-
Starter
-
Steering
-
Steering 2
-
Top Cowling
-
Upper Casing
-
Valve