Diagram Sections: L130BETOL (1991)
Download as PDF-
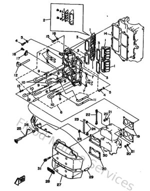
Bottom Cowling
-
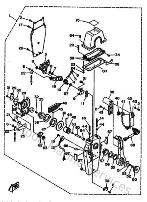
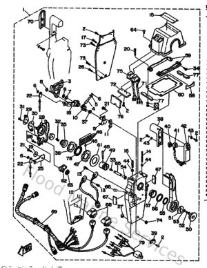
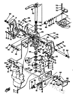
Bracket 1
-
Bracket 2
-
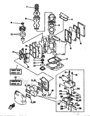
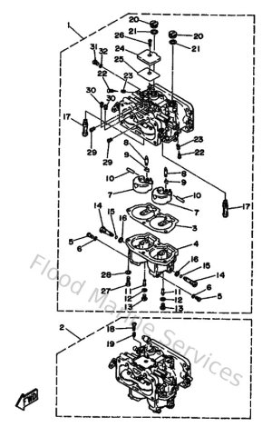
Carburetor
-
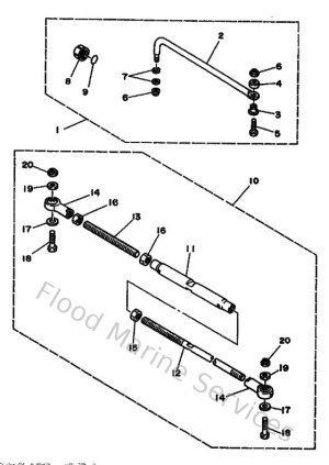
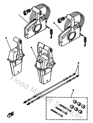
Control
-
Crankshaft & Piston
-
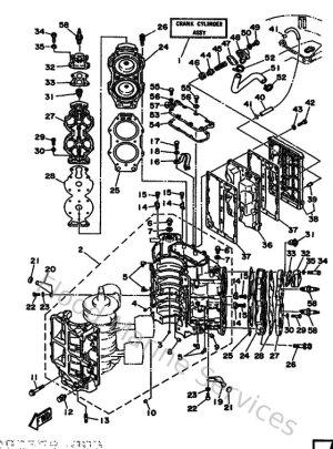
Cylinder & Crankcase
-
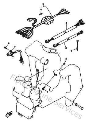
Electrical 1
-
Electrical 2
-
Electrical 3
-
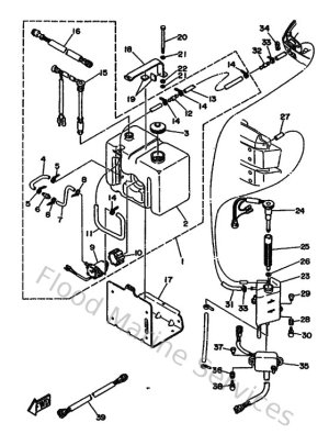
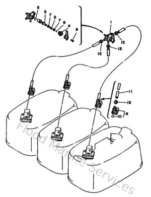
Fuel 1
-
Fuel 2
-
Intake
-
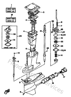
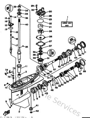
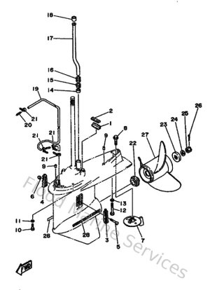
Lower Casing & Drive 1
-
Lower Casing & Drive 2
-
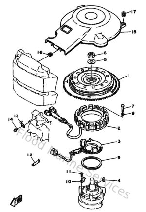
Magneto
-
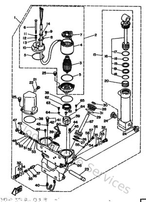
Oil Pump
-
Oil Tank
-
Optional Parts 1
-
Optional Parts 2
-
Optional Parts 3
-
Optional Parts 4
-
Optional Parts 5
-
Power Trim & Tilt Assy
-
Remote Control
-
Remote Control Assy 1
-
Remote Control Assy 2
-
Remote Control Assy 3
-
Repair Kit 1
-
Repair Kit 2
-
Starting Motor
-
Steering Guide
-
Top Cowling
-
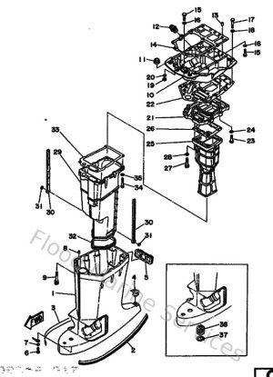
Upper Casing