Diagram Sections: L130BETOL (1998)
Download as PDF-
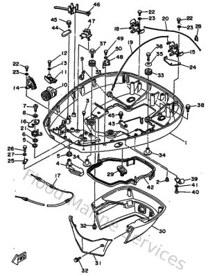
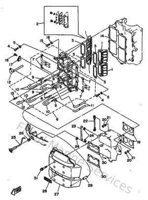
Bottom Cowling
-
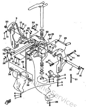
Bracket 1
-
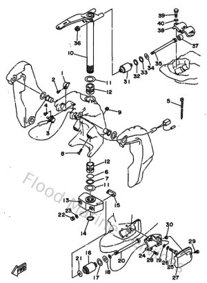
Bracket 2
-
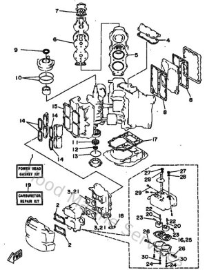
Carburetor
-
Controller 1
-
Crankshaft & Piston
-
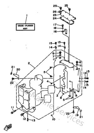
Cylinder & Crankcase 1
-
Cylinder & Crankcase 2
-
Demarreur Electrique
-
Fuel
-
Generatrice
-
Intake
-
Kits De Reparation 1
-
Kits De Reparation 2
-
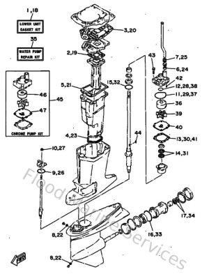
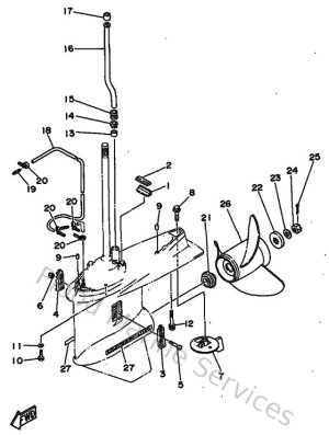
Lower Casing & Drive
-
Oil Pump
-
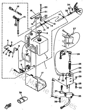
Oil Tank
-
Optionnelles 1
-
Optionnelles 2
-
Partie Electrique 1
-
Partie Electrique 2
-
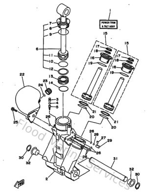
Power Trim & Tilt Assy
-
Power Trim & Tilt Assy 2
-
Top Cowling
-
Upper Casing