Diagram Sections: L150FETOL (2000)
Download as PDF-
Bottom Cowling
-
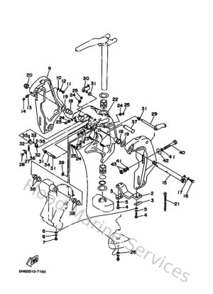
Bracket 1
-
Bracket 2
-
Carburetor
-
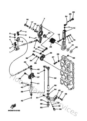
Control
-
Crankshaft & Piston
-
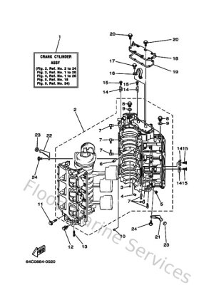
Cylinder & Crankcase
-
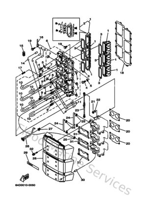
Cylinder & Crankcase 2
-
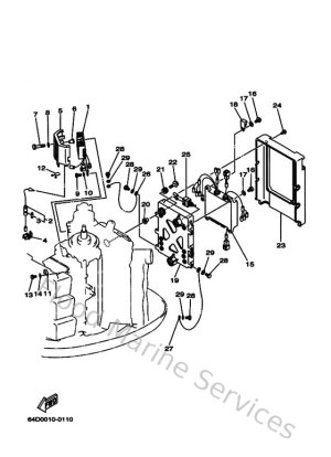
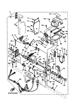
Electrical 1
-
Electrical 2
-
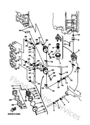
Fuel
-
Fuel 2
-
Generator
-
Intake
-
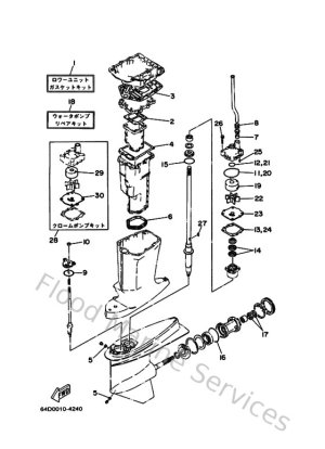
Lower Casing & Drive 3
-
Lower Casing & Drive 4
-
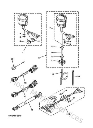
Meter
-
Oil Pump
-
Oil Tank
-
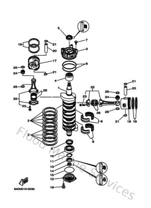
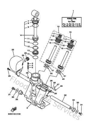
Power Trim & Tilt Assy 1
-
Power Trim & Tilt Assy 2
-
Remote Control Assy 2
-
Remote Control Box
-
Repair Kit 1
-
Repair Kit 2
-
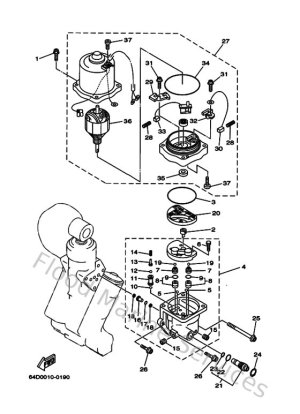
Starting Motor
-
Steering Guide Attachment 1
-
Steering Guide Attachment 2
-
Switch & Panel
-
Top Cowling
-
Upper Casing