Diagram Sections: L150JETOL (2001)
Download as PDF-
Bottom Cowling
-
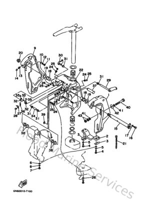
Bracket 1
-
Bracket 2
-
Control
-
Crankshaft & Piston
-
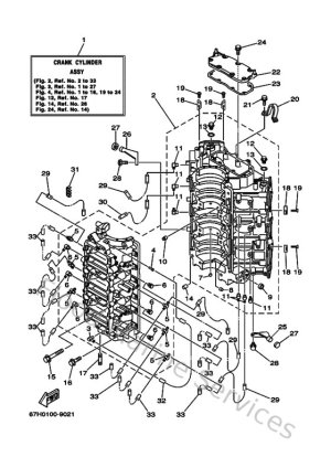
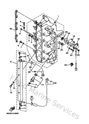
Cylinder & Crankcase
-
Cylinder & Crankcase 2
-
Electrical 1
-
Electrical 2
-
Electrical 3
-
Electrical 4
-
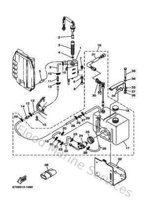
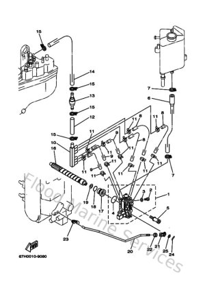
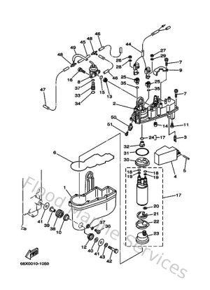
Fuel
-
Fuel 2
-
Fuel Injection Nozzle
-
Fuel Injection Pump
-
Generator
-
Intake
-
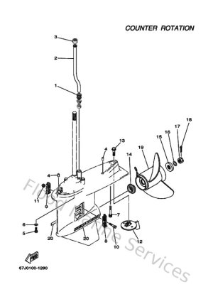
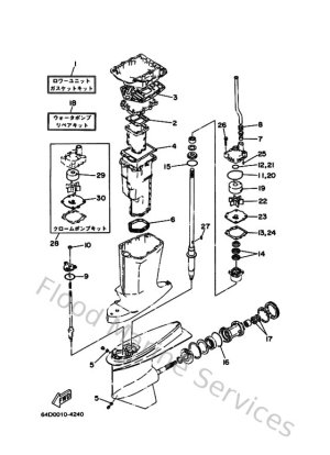
Lower Casing & Drive 3
-
Lower Casing & Drive 4
-
Meter
-
Oil Pump
-
Oil Tank
-
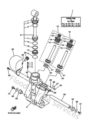
Power Trim & Tilt Assy 1
-
Power Trim & Tilt Assy 2
-
Remote Control Assy 2
-
Remote Control Box
-
Repair Kit 1
-
Repair Kit 2
-
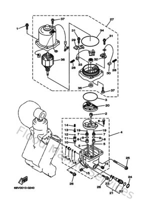
Starting Motor
-
Steering Guide Attachment 2
-
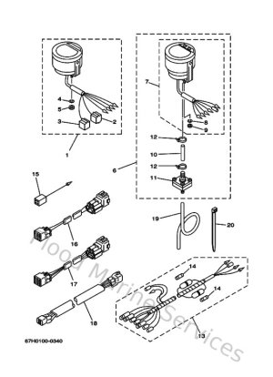
Switch & Panel
-
Top Cowling
-
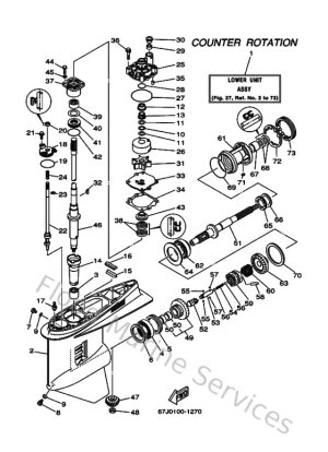
Upper Casing