Diagram Sections: L200AETOL (1988)
Download as PDF-
Bottom Cowling
-
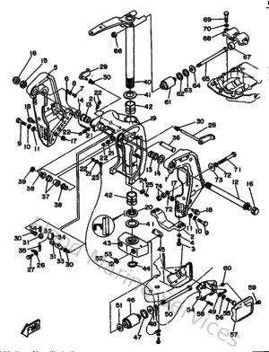
Bracket 1
-
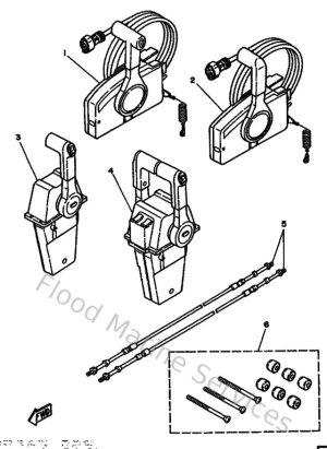
Bracket 2
-
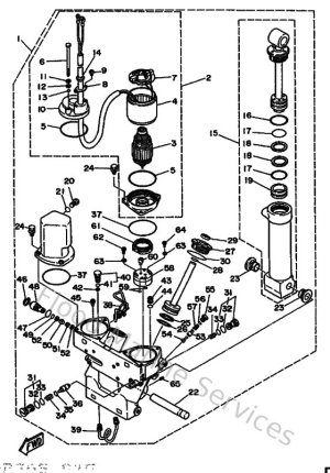
Carburetor
-
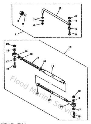
Control
-
Crankshaft & Piston
-
Cylinder & Crankcase
-
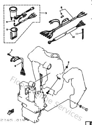
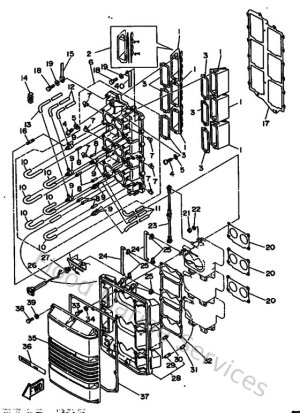
Electrical 1
-
Electrical 2
-
Electrical 3
-
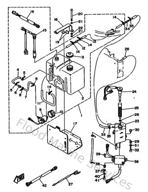
Fuel
-
Fuel 2
-
Intake
-
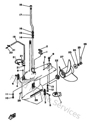
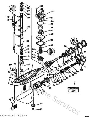
Lower Casing & Drive 1
-
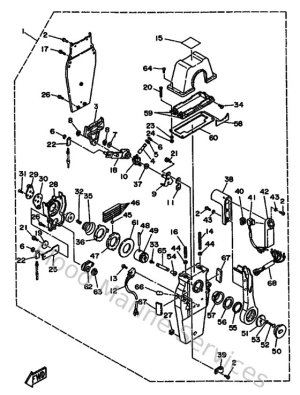
Lower Casing & Drive 2
-
Magneto
-
Oil Pump
-
Oil Tank
-
Optional Parts 1
-
Optional Parts 2
-
Optional Parts 3
-
Optional Parts 4
-
Power Trim & Tilt Assy
-
Remote Control
-
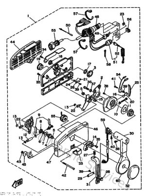
Remote Control Assy 1
-
Remote Control Assy 2
-
Remote Control Assy 3
-
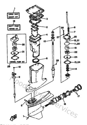
Repair Kit 1
-
Repair Kit 2
-
Starting Motor
-
Steering Guide
-
Top Cowling
-
Upper Casing