Diagram Sections: L200BETOL (1995)
Download as PDF-
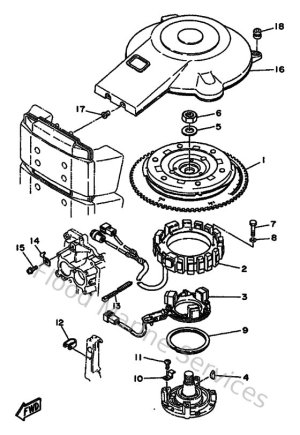
Allumage Electronique
-
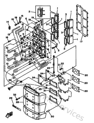
Bottom Cowling
-
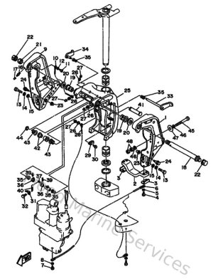
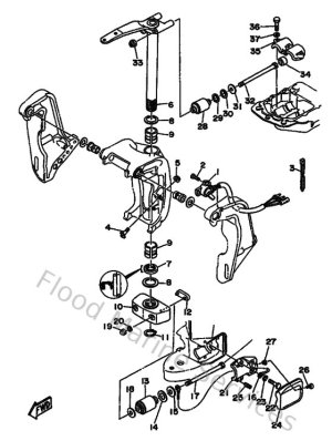
Bracket 1
-
Bracket 2
-
Carburetor
-
Control
-
Crankshaft & Piston
-
Cylinder & Crankcase
-
Demarreur Electrique
-
Fuel
-
Intake
-
Kits De Reparation 1
-
Kits De Reparation 2
-
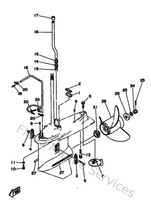
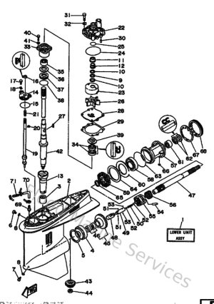
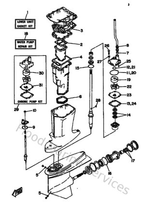
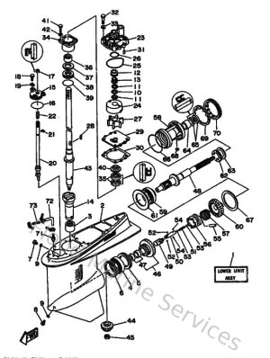
Lower Casing & Drive
-
Oil Pump
-
Oil Tank
-
Optionnelles 1
-
Optionnelles 2
-
Partie Electrique 1
-
Partie Electrique 2
-
Power Trim & Tilt Assy
-
Top Cowling
-
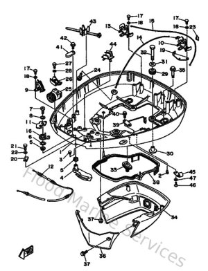
Upper Casing