Diagram Sections: L250AETO (1992)
Download as PDF-
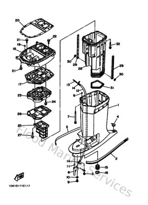
Bottom Cowling
-
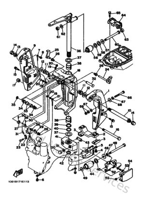
Bracket 1
-
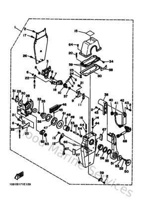
Bracket 2
-
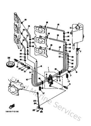
Carburetor
-
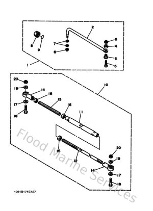
Control
-
Crankshaft & Piston
-
Cylinder & Crankcase 1
-
Cylinder & Crankcase 2
-
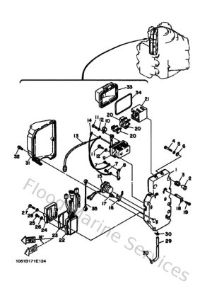
Electrical 1
-
Electrical 2
-
Electrical 3
-
Electrical 4
-
Fuel 1
-
Fuel 2
-
Fuel 3
-
Intake
-
Lower Casing & Drive 1
-
Lower Casing & Drive 2
-
Magneto
-
Oil Pump
-
Oil Tank
-
Optional Parts 1
-
Optional Parts 2
-
Optional Parts 3
-
Optional Parts 4
-
Optional Parts 5
-
Optional Parts 6
-
Optional Parts 7
-
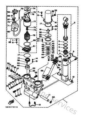
Power Trim & Tilt Assy 1
-
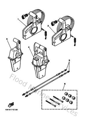
Remote Control
-
Remote Control Assy 1
-
Remote Control Assy 2
-
Remote Control Assy 3
-
Repair Kit 1
-
Repair Kit 2
-
Repair Kit 3
-
Starting Motor
-
Steering Guide Attachment 1
-
Top Cowling
-
Upper Casing