Diagram Sections: L250AETO (1993)
Download as PDF-
Bottom Cowling
-
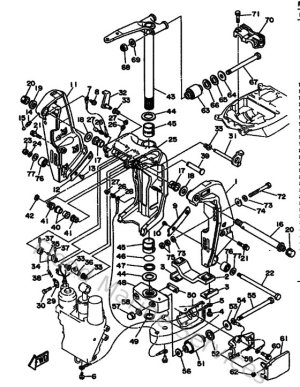
Bracket 1
-
Bracket 2
-
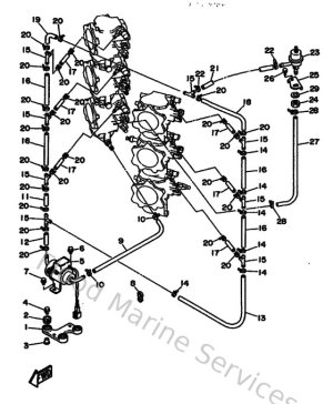
Carburetor
-
Control
-
Crankshaft & Piston
-
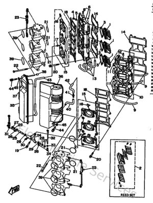
Cylinder & Crankcase 1
-
Cylinder & Crankcase 2
-
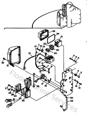
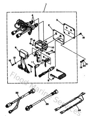
Electrical 1
-
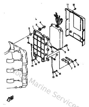
Electrical 2
-
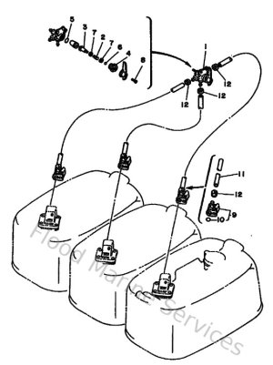
Electrical 3
-
Electrical 4
-
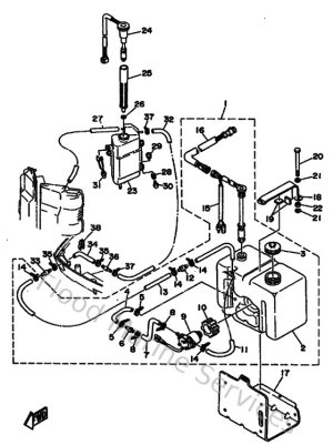
Fuel 1
-
Fuel 2
-
Fuel 3
-
Intake
-
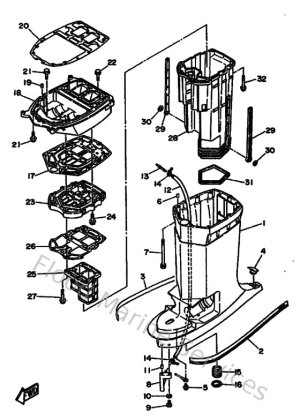
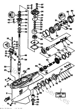
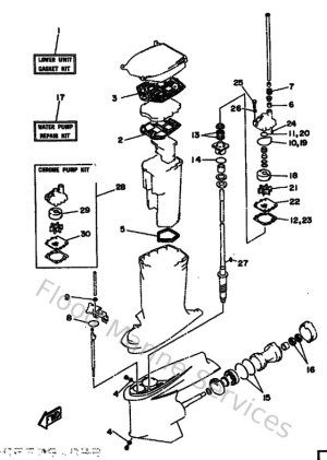
Lower Casing & Drive 1
-
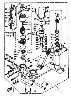
Lower Casing & Drive 2
-
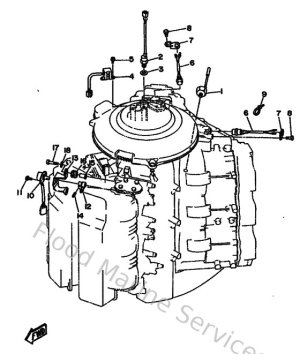
Magneto
-
Oil Pump
-
Oil Tank
-
Optional Parts
-
Optional Parts 1
-
Optional Parts 2
-
Optional Parts 3
-
Optional Parts 4
-
Optional Parts 5
-
Optional Parts 6
-
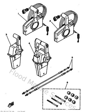
Power Trim & Tilt Assy
-
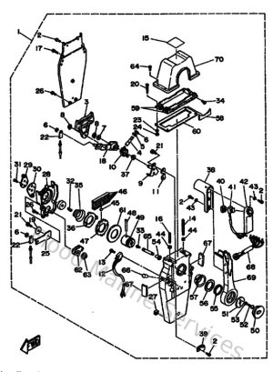
Remote Control
-
Remote Control Assy 1
-
Remote Control Assy 2
-
Remote Control Assy 3
-
Repair Kit 1
-
Repair Kit 2
-
Repair Kit 3
-
Starting Motor
-
Steering Guide
-
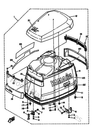
Top Cowling
-
Upper Casing