Diagram Sections: L250AETO (1994)
Download as PDF-
Allumage Electronique
-
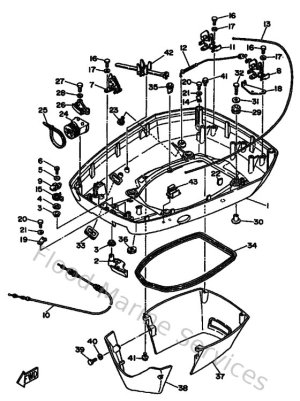
Bottom Cowling
-
Bracket 1
-
Bracket 2
-
Carburetor
-
Control
-
Crankshaft & Piston
-
Cylinder & Crankcase 1
-
Cylinder & Crankcase 2
-
Demarreur Electrique
-
Fuel 1
-
Fuel 2
-
Intake
-
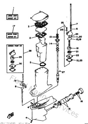
Kits De Reparation 1
-
Kits De Reparation 2
-
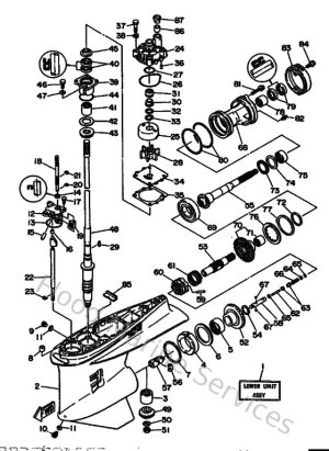
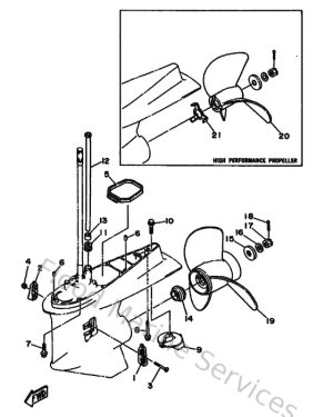
Lower Casing & Drive
-
Oil Pump
-
Oil Tank
-
Optionnelles 1
-
Optionnelles 2
-
Partie Electrique 1
-
Partie Electrique 2
-
Partie Electrique 3
-
Partie Electrique 4
-
Power Trim & Tilt Assy
-
Repair Kit 3
-
Top Cowling
-
Upper Casing