Diagram Sections: LZ150PETO (2001)
Download as PDF-
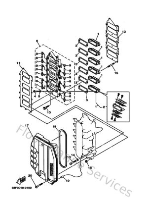
Bottom Cowling
-
Bracket 1
-
Bracket 2
-
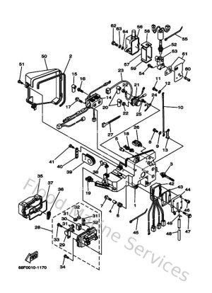
Control
-
Crankshaft & Piston
-
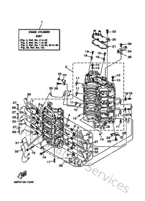
Cylinder & Crankcase
-
Cylinder & Crankcase 2
-
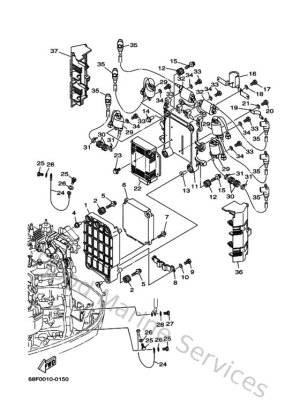
Electrical 1
-
Electrical 2
-
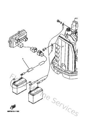
Electrical 3
-
Electrical 4
-
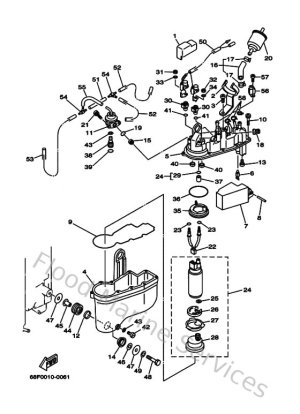
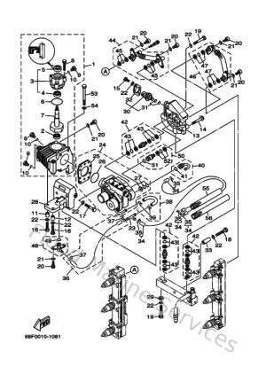
Fuel
-
Fuel 2
-
Fuel Injection Nozzle
-
Fuel Injection Pump
-
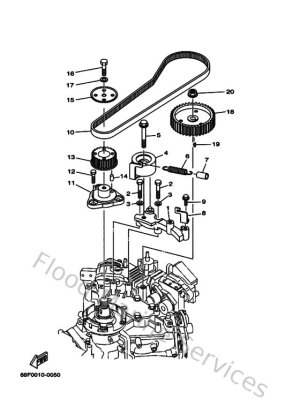
Fuel Pump Drive Gear
-
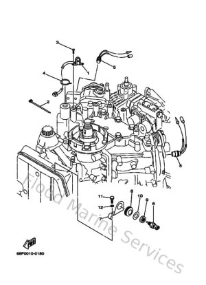
Generator
-
Intake
-
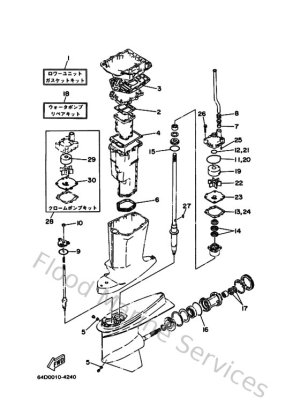
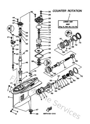
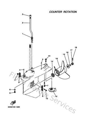
Lower Casing & Drive 3
-
Lower Casing & Drive 4
-
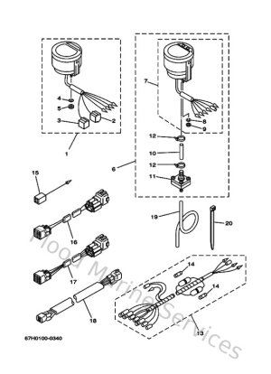
Meter
-
Oil Pump
-
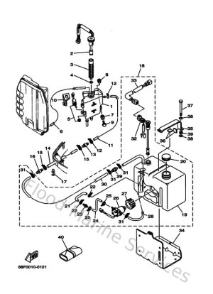
Oil Tank
-
Optional Parts 1
-
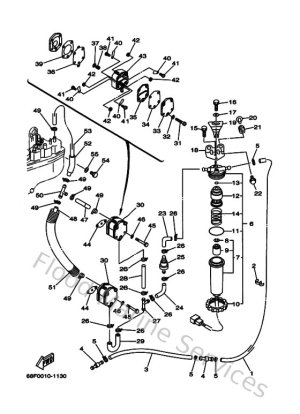
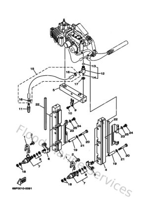
Power Trim & Tilt Assy 1
-
Power Trim & Tilt Assy 2
-
Remote Control Assy 2
-
Remote Control Box
-
Repair Kit 1
-
Repair Kit 2
-
Starting Motor
-
Steering Guide Attachment 1
-
Steering Guide Attachment 2
-
Switch & Panel
-
Top Cowling
-
Upper Casing
-
Vapor Separator 1
-
Vapor Separator 2