Diagram Sections: LZ200NETO (2000)
Download as PDF-
Bottom Cowling
-
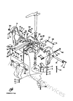
Bracket 1
-
Bracket 2
-
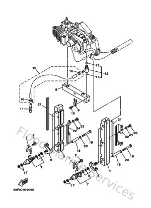
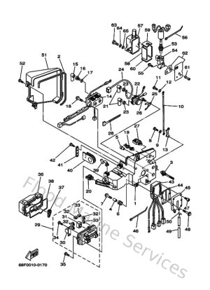
Control
-
Crankshaft & Piston
-
Cylinder & Crankcase
-
Cylinder & Crankcase 2
-
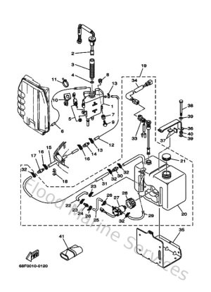
Electrical 1
-
Electrical 2
-
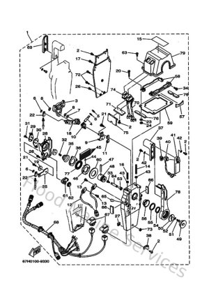
Electrical 3
-
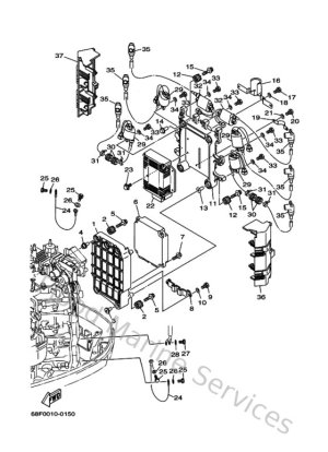
Electrical 4
-
Fuel
-
Fuel 2
-
Fuel Injection Nozzle
-
Fuel Injection Pump
-
Fuel Pump Drive Gear
-
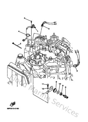
Generator
-
Intake
-
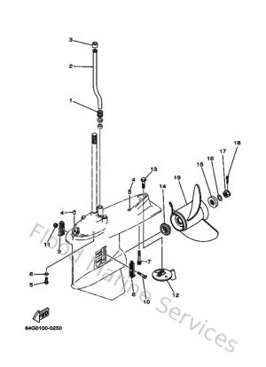
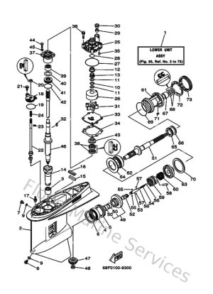
Lower Casing & Drive 3
-
Lower Casing & Drive 4
-
Meter
-
Oil Pump
-
Oil Tank
-
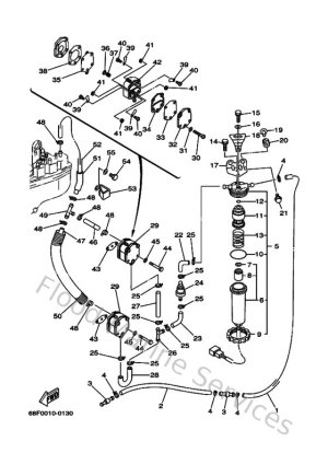
Power Trim & Tilt Assy 1
-
Power Trim & Tilt Assy 2
-
Remote Control Assy 2
-
Remote Control Box
-
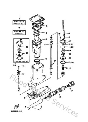
Repair Kit 1
-
Repair Kit 2
-
Starting Motor
-
Steering Guide Attachment 2
-
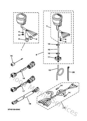
Switch & Panel
-
Top Cowling
-
Upper Casing
-
Vapor Separator 1
-
Vapor Separator 2