Diagram Sections: LZ300AETO (2007)
Download as PDF-
BOTTOM COWLING
-
BRACKET 1
-
BRACKET 2
-
CONTROL
-
CRANKSHAFT & PISTON
-
CYLINDER & CRANKCASE 1
-
CYLINDER & CRANKCASE 2
-
CYLINDER & CRANKCASE 3
-
ELECTRICAL 1
-
ELECTRICAL 2
-
ELECTRICAL 3
-
ELECTRICAL 4
-
FUEL
-
FUEL INJECTION NOZZLE
-
FUEL INJECTION PUMP
-
FUEL PUMP DRIVE GEAR
-
GENERATOR
-
INTAKE
-
LOWER CASING & DRIVE 1
-
LOWER CASING & DRIVE 2
-
LOWER CASING & DRIVE 3
-
LOWER CASING & DRIVE 4
-
METER
-
OIL PUMP
-
OIL TANK
-
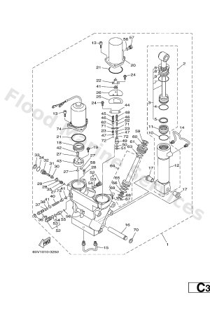
POWER TRIM & TILT ASSY 1
-
POWER TRIM & TILT ASSY 2
-
REPAIR KIT 1
-
REPAIR KIT 2
-
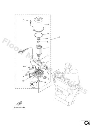
STARTING MOTOR
-
STEERING GUIDE
-
TOP COWLING
-
UPPER CASING
-
VAPOR SEPARATOR 1
-
VAPOR SEPARATOR 2