Diagram Sections: P100ETO (1997)
Download as PDF-
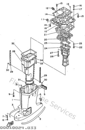
Boitier Dhelice, Transmissio
-
Bottom Cowling
-
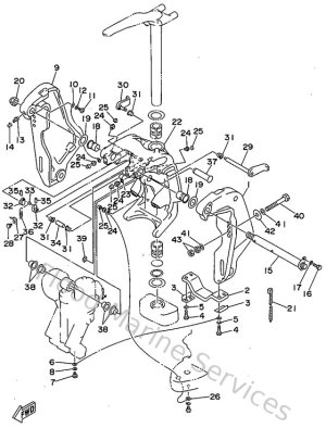
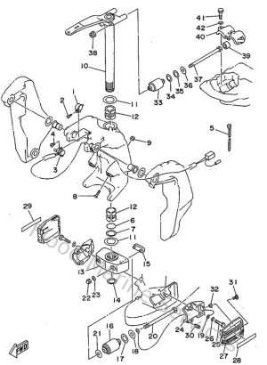
Bracket 1
-
Bracket 2
-
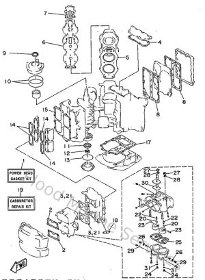
Carburetor
-
Control
-
Crankshaft & Piston
-
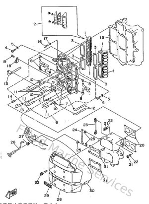
Cylinder. Crankcase 1
-
Cylinder. Crankcase 2
-
Electrical 1
-
Electrical 2
-
Fuel
-
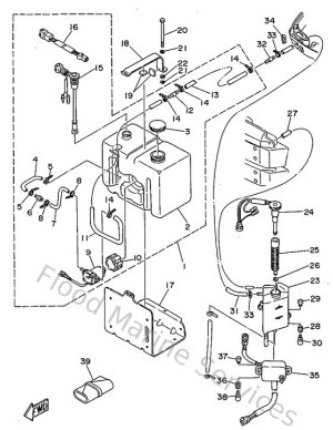
Fuel Tank
-
Generator
-
Intake
-
Oil Pump
-
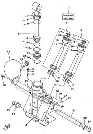
Puissance Pare Et Incliner, En
-
Puissance Parer Et Incliner
-
Repair Kit 1
-
Repair Kit 2
-
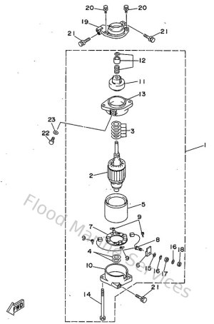
Starting Motor
-
Top Cowling
-
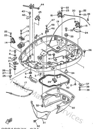
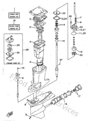
Upper Casing