Diagram Sections: P200ETOL (1994)
Download as PDF-
Bottom Cowling
-
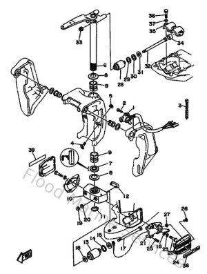
Bracket 1
-
Bracket 2
-
Carburetor
-
Control
-
Crankshaft & Piston
-
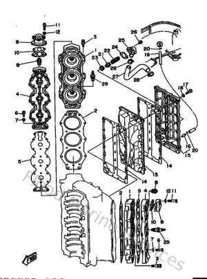
Cylinder & Crankcase 1
-
Cylinder & Crankcase 2
-
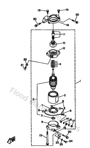
Demarreur Electrique
-
Fuel
-
Generator
-
Intake
-
Kits De Reparation 1
-
Kits De Reparation 2
-
Lower Casing & Drive
-
Oil Pump
-
Oil Tank
-
Partie Electrique 1
-
Partie Electrique 2
-
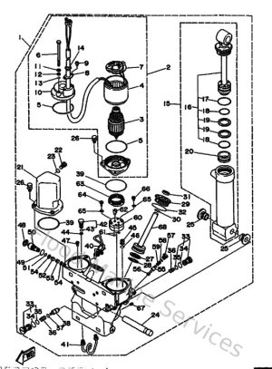
Power Trim & Tilt Assy
-
Top Cowling
-
Upper Casing