New Search
Parts
New Outboards
Diagram Sections: P75TLH (1997)
Download as PDF
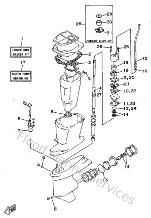
Boitier Dhelice, Transmissio
Bottom Cowling
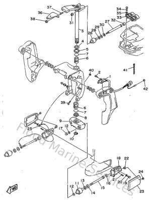
Bracket 1
Bracket 2
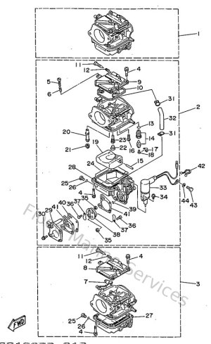
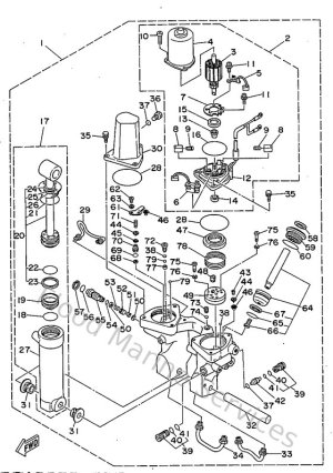
Carburetor
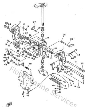
Control
Crankshaft & Piston
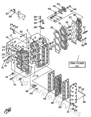
Cylinder. Crankcase
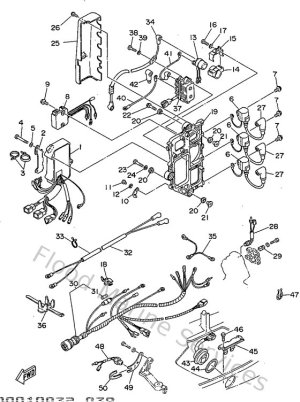
Electrical 1
Fuel
Generator
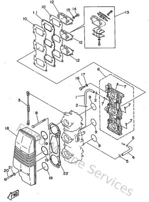
Intake
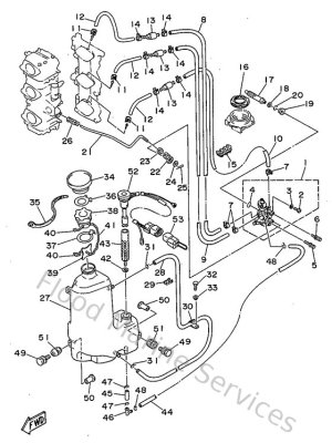
Oil Pump
Puissance Pare Et Incliner, En
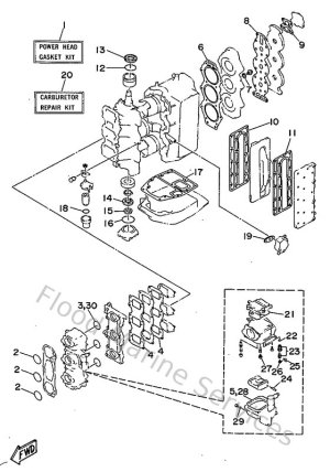
Repair Kit 1
Repair Kit 2
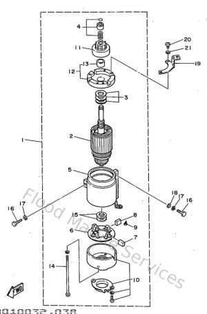
Starting Motor
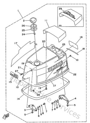
Top Cowling
Upper Casing