Diagram Sections: VZ150TRC (2004)
Download as PDF-
BOTTOM COWLING
-
BRACKET 1
-
BRACKET 2
-
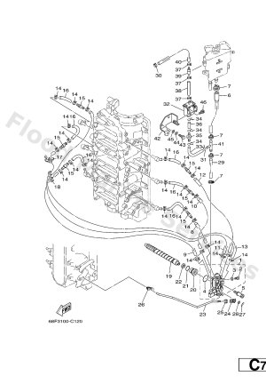
CONTROL
-
CRANKSHAFT. PISTON
-
CYLINDER. CRANKCASE 1
-
CYLINDER. CRANKCASE 2
-
ELECTRICAL 1
-
ELECTRICAL 2
-
ELECTRICAL 3
-
ELECTRICAL 4
-
FUEL 1
-
FUEL 2
-
FUEL INJECTION NOZZLE
-
FUEL INJECTION PUMP
-
FUEL PUMP DRIVE GEAR
-
GENERATOR
-
INTAKE
-
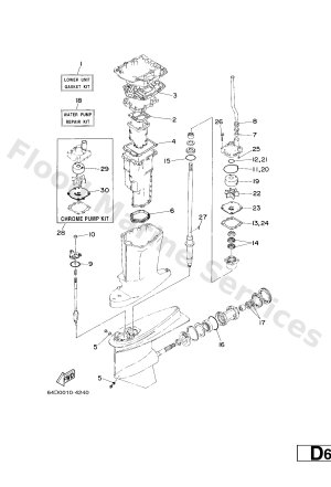
LOWER CASING. DRIVE 1
-
LOWER CASING. DRIVE 2
-
METER
-
OIL PUMP
-
OIL TANK
-
POWER TRIM & TILT ASSY 1
-
POWER TRIM & TILT ASSY 2
-
REMOTE CONTROL ASSY
-
REMOTE CONTROL BOX
-
REPAIR KIT 1
-
REPAIR KIT 2
-
STARTING MOTOR
-
STEERING GUIDE
-
TOP COWLING
-
UPPER CASING
-
VAPOR SEPARATOR 1
-
VAPOR SEPARATOR 2